Ahoj neví te někdo jak jsou zapojený hodiny v mondeu 2001-2007?
Jsou tam 4 kablíky:
1 kostra
2 hodiny
3 podsvícení
4 nevím
poraďte jestli někdo víte
Díky
Zapojení hodin
-
vbery
- Junior

- Příspěvky: 261
- Registrován: 25.01.2012 21:03
- Bydliště: Vejprnice
Zapojení hodin
Příspěvek od vbery » 24.05.2014 20:34
je Ford S-Max 2,0TDCI 120kw Titanium
byl Ford Focus Titanium 1,6 ecoboost 134kw
je Ford Focus Trend 1,6 74kw 2005
byl Ford Focus c-max 2,0TDCI 100kw
byl Ford Sierra 2,0 DOHC 88kw
byl Ford Escort 1,6 66kw 1989
byl Ford Taunus Ghia 2,0 V6 66kw 1980
byl Ford Focus Titanium 1,6 ecoboost 134kw
je Ford Focus Trend 1,6 74kw 2005
byl Ford Focus c-max 2,0TDCI 100kw
byl Ford Sierra 2,0 DOHC 88kw
byl Ford Escort 1,6 66kw 1989
byl Ford Taunus Ghia 2,0 V6 66kw 1980
-
krenda
- Test driver

- Příspěvky: 2668
- Registrován: 25.12.2011 16:56
- Bydliště: Novojičínsko
Re: Zapojení hodin
Příspěvek od krenda » 24.05.2014 21:24
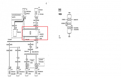
Tu máš popsané piny konektoru, co jde do hodin:
1- nezapojen
2- osvětlení
3- mínus
4- červená LED alarmu
5- nezapojen
6- plus
1- nezapojen
2- osvětlení
3- mínus
4- červená LED alarmu
5- nezapojen
6- plus
je: Ford S-Max, 09/2020, 7míst, 2.0 ecoblue, 140kW, 4x4
bylo: Ford Focus, 09/2020, hatchback, 2.3 ecoboost, 228kW, ST
bylo: Ford Mondeo, 09/2013, kombi, 2.0 SCTi 202,3kW, Titanium S
bylo: Ford Focus, 09/2020, hatchback, 2.3 ecoboost, 228kW, ST
bylo: Ford Mondeo, 09/2013, kombi, 2.0 SCTi 202,3kW, Titanium S
Přejít na
- Vše o klubu a fóru
- ↳ Jak na fórum
- ↳ Klub
- ↳ Poznej ho !!!!
- ↳ Čechy-Morava
- ↳ Slovensko
- ↳ Ostatní státy
- ↳ Narozeniny
- ↳ Soutěže
- ↳ Soutěže
- ↳ Pokec k soutěžím
- ↳ Club - shop
- focus / Cmax / kuga
- ↳ Karoserie
- ↳ Focus - karoserie 1998 - 2004
- ↳ Focus - karoserie 2004 - 2011
- ↳ Focus - karoserie 2011 - 2018
- ↳ Focus - karoserie 2018 - 2025
- ↳ Motor
- ↳ Focus - benzínové 1998 - 2004
- ↳ Focus - naftové 1998 - 2004
- ↳ Focus - benzínové 2004 - 2011
- ↳ Focus - naftové 2004 - 2011
- ↳ DPF a vše okolo
- ↳ Focus - benzínové 2011 - 2018
- ↳ Focus - naftové 2011 - 2018
- ↳ Focus - benzínové 2018 - 2025
- ↳ Focus - naftové 2018 - 2025
- ↳ Podvozek
- ↳ Focus - podvozek 1998 - 2004
- ↳ Focus - podvozek 2004 - 2011
- ↳ Focus - podvozek 2011 - 2018
- ↳ Focus - podvozek 2018 - 2025
- ↳ Focus - pneumatiky a disky
- ↳ Interier
- ↳ Focus - interier - 1998-2004
- ↳ Focus - interier - 2004 - 2011
- ↳ Focus - interier - 2011 - 2018
- ↳ Focus - interier - 2018 - 2025
- ↳ Focus - budíky (palubní počítač, kontrolky)
- ↳ Focus - rádio a muzika
- ↳ Focus - klimatizace a ventilace
- ↳ Tuning
- ↳ Focus - tuning - 1998 - 2004
- ↳ Focus - tuning 2004 - 2011
- ↳ Focus - tuning 2011 - 2018
- ↳ Focus - tuning 2018 - 2025
- ↳ Technické informace + diagnostika
- ↳ Diagnostika a SW
- mondeo
- ↳ Karoserie - Mondeo
- ↳ karoserie - mondeo mk1+2
- ↳ karoserie - mondeo mk3
- ↳ karoserie - mondeo mk4
- ↳ karoserie - mondeo mk5
- ↳ Motor - Mondeo
- ↳ motor - mondeo mk1+2
- ↳ motor - mondeo mk3
- ↳ motor - mondeo mk3 diesel
- ↳ motor - mondeo mk3 benzín
- ↳ motor - mondeo mk4
- ↳ motor - mondeo mk4 diesel
- ↳ motor - mondeo mk4 benzín
- ↳ motor - mondeo mk5
- ↳ motor - mondeo mk5 diesel
- ↳ motor - mondeo mk5 benzín
- ↳ Podvozek - Mondeo
- ↳ Interier - Mondeo
- ↳ Audio v našich fordech - Mondeo
- ↳ Denso navigace
- ↳ Blaupunkt navigace
- ↳ Audio systém sony
- ↳ Audio ford systém 5000,6000 a ostatní...
- ↳ SYNCx
- ↳ Tuning - Mondeo
- fiesta / fusion / Bmax / puma
- ↳ Karoserie
- ↳ Motor + Podvozek
- ↳ Interier
- ↳ Nezařazené
- galaxy / Smax / edge
- ↳ Karoserie
- ↳ Motor
- ↳ Interier
- ↳ Všeobecné
- ST a RS
- ↳ ST a RS legenda žije
- ↳ Motory
- ↳ Podvozek
- ↳ Karoserie
- ↳ Technické informace
- Forum
- ↳ Ford
- ↳ Servisy
- ↳ Střední Čechy a Praha
- ↳ Jižní Čechy
- ↳ Západní Čechy
- ↳ Severní Čechy
- ↳ Východní Čechy
- ↳ Morava
- ↳ Slovensko
- ↳ Pohonné hmoty, benzin, nafta...
- ↳ Rady prodej - nákup
- ↳ recenze prodejců a autobazarů
- ↳ Rady, nápady a dotazy
- ↳ Pokec
- ↳ Vlákno pro členy, kteří už nevlastní forda
- ↳ PC hry
- ↳ Vánoce a Nový rok
- ↳ Dovolená
- ↳ Zajímavé odkazy
- ↳ Vzkazy
- ↳ Odcizení - krádež
- ↳ .. aneb co nelze nikam zařadit
- ↳ Sociálno
- ↳ Spřátelené weby
- Fotogalerie členů
- ↳ Focus
- ↳ Fotogalerie focus mk1 1998 - 2004
- ↳ Fotogalerie focus mk1 3dv.+5dv.
- ↳ Fotogalerie focus mk1 kombi
- ↳ Fotogalerie focus mk1 sedan
- ↳ Fotogalerie focus mk2 2004 - 2011
- ↳ Fotogalerie focus mk2 3dv.+5dv.
- ↳ Fotogalerie focus mk2 kombi
- ↳ Fotogalerie focus mk2 sedan + CC
- ↳ Fotogalerie focus mk3 2011 - 2018
- ↳ Fotogalerie focus mk3 5dv.
- ↳ Fotogalerie focus mk3 kombi
- ↳ Fotogalerie focus mk3 sedan
- ↳ Fotogalerie focus mk4 2018 a novější
- ↳ Fotogalerie focus mk4 5dv.
- ↳ Fotogalerie focus mk4 kombi
- ↳ Mondeo
- ↳ Fotogalerie - Mondeo mkI
- ↳ Fotogalerie - Mondeo mkII
- ↳ Fotogalerie - Mondeo mkIII
- ↳ Fotogalerie - Mondeo mkIV
- ↳ Fotogalerie - Mondeo mkV
- ↳ Ostatní Fordy
- ↳ Jiné značky
- ↳ Ostatní
- Srazy
- ↳ Srazy - Celorepublikové
- ↳ Srazy - Praha a Střední Čechy
- ↳ Srazy - Západní Čechy
- ↳ Srazy - Severní Čechy
- ↳ Srazy - Jižní Čechy
- ↳ Srazy - Východní Čechy
- ↳ Srazy - Morava
- ↳ Srazy - Slovensko
- ↳ Srazy - Zahraniční
- Bazar
- ↳ Prodej - komerce
- ↳ Služby
- ↳ Prodej
- ↳ Prodej - auta
- ↳ Prodej auta Focus/Cmax
- ↳ Prodej auta Mondeo/Smax/Galaxy
- ↳ Prodej auta Fiesta/Bmax/Fusion
- ↳ Prodej auta - ostatní fordy
- ↳ Prodej auta - bouračky
- ↳ Prodej auta - ostatní
- ↳ Prodej - náhradní díly
- ↳ Prodej ND Focus/Cmax
- ↳ Prodej - náhradní díly - 1998 - 2004
- ↳ Prodej - náhradní díly - 2004 - 2011
- ↳ Prodej - náhradní díly - 2011 - 2018
- ↳ Prodej - náhradní díly - 2018 >
- ↳ Prodej ND Mondeo/Smax/Galaxy
- ↳ Prodej ND Fiesta/Bmax/Fusion
- ↳ Prodej ND ostatní
- ↳ Prodej - pneu, alu, ráfky, poklice atd.
- ↳ Prodej pneu
- ↳ Prodej disků
- ↳ Prodej ALU disků 4x108
- ↳ Prodej ALU disků 5x108
- ↳ Prodej plechových disků 4x108
- ↳ Prodej plechových disků 5x108
- ↳ Prodej celých kol
- ↳ Prodej pneu + ALU 4x108
- ↳ Prodej pneu + ALU 5x108
- ↳ Prodej pneu + plech 4x108
- ↳ Prodej pneu + plech 5x108
- ↳ Prodej příslušenství pneu a ráfky
- ↳ Prodej - ostatní
- ↳ Daruji
- ↳ Blacklist
Kdo je online
Uživatelé prohlížející si toto fórum: Žádní registrovaní uživatelé a 0 hostů

