Palubní počítač po výměně vstřikovačů

Odpovědět
Uživatelský avatar
matt200
Nováček
Nováček
Příspěvky: 17
Registrován: 07.09.2009 11:26

Palubní počítač po výměně vstřikovačů

Příspěvek od matt200 » 23.04.2012 10:08

Mám problém po výměně (repasu) vstřikovačů a palivového čerpadla. Motor 1.8 TDCi 85kW r.v. 2003. Po výměně u neautorizovaného servisu mi palubní počítač neukazuje správně aktuální a průměrnou spotřebu.
Aktuální spotřeba se zobrazuje, ovšem v jednotkách litr/hod. Průměrná se zobrazuje stále na 55 l/100km (což je maximum).

Servis si s tím zdá se neví rady. Nemáte někdo podobnou zkušenost. Co se musí udělat?

Díky
____________________
Ford Focus 3dv, r.v. 2003, 1.8 TDCi 85kW, BHP Motorsport

xbobcz
Junior
Junior
Příspěvky: 260
Registrován: 11.04.2011 21:16
Bydliště: Brno

Re: Palubní počítač po výměně vstřikovačů

Příspěvek od xbobcz » 23.04.2012 10:56

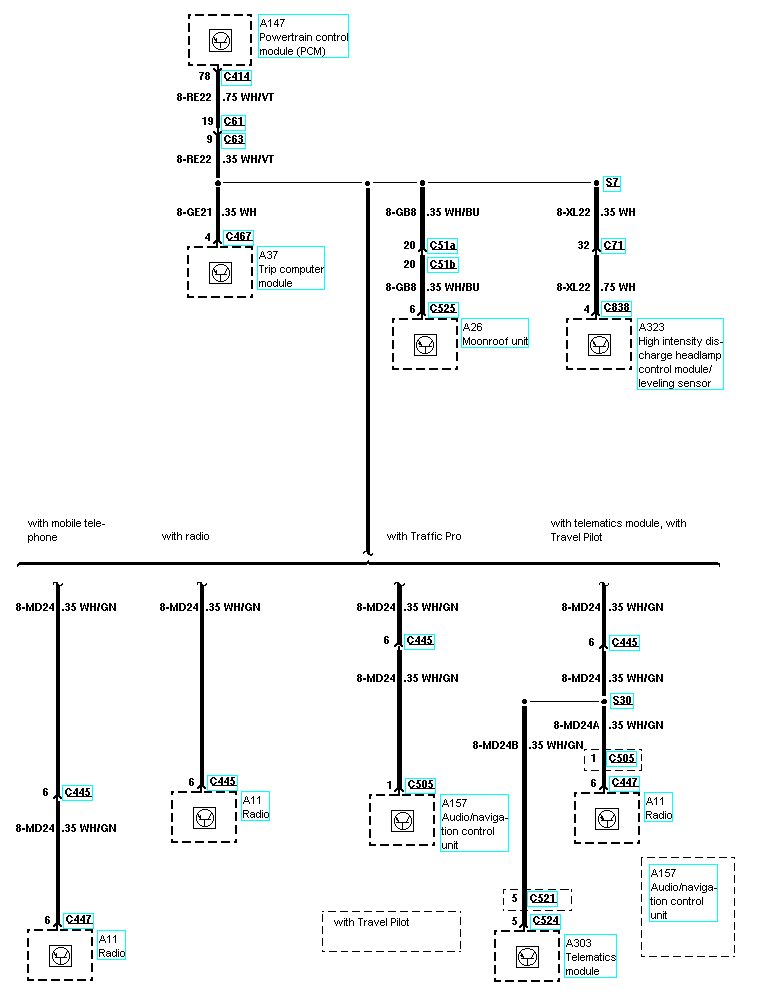
Pravdepodobne se jim povedlo nekde prerusit signal o rychlosti ktery jde do palubniho PC. Tim padem si stale mysli, ze stojis a ukazuje hodnotu v l/h. Je to divne, ze se to stalo pri vymene vstriku. Tenhle signal jde z ridici jednotky jeste do dalsich veci jako je autoradio apod. V priloze mas schema kam vede ten signal. Pomoci originalni diagnostiky (IDS) to jde i otestovat jestli to do toho pal PC jde. Jinak to chce zkontrolovat kabelaz.
Přílohy
trips7.png
Focus II 1.8 TDCi

Uživatelský avatar
matt200
Nováček
Nováček
Příspěvky: 17
Registrován: 07.09.2009 11:26

Re: Palubní počítač po výměně vstřikovačů

Příspěvek od matt200 » 26.06.2012 16:25

Tak problém vyřešen. Jsem se na to vrhl sám, zjistil jsem, že je to opravdu signál rychlosti, který nedává správná data (napětí) do palubního počítače. Signál byl uzemněn a tudíž si palubák myslel, že auto stále stojí.
____________________
Ford Focus 3dv, r.v. 2003, 1.8 TDCi 85kW, BHP Motorsport

Odpovědět

Zpět na „Focus - naftové 1998 - 2004“

Kdo je online

Uživatelé prohlížející si toto fórum: Žádní registrovaní uživatelé a 1 host