Elektricke sklapeni zrcatek

Odpovědět
Uživatelský avatar
jenikHK
Moderátor
Moderátor
Příspěvky: 3134
Registrován: 10.03.2008 14:30
Bydliště: Praha

Re: Elektricke sklapeni zrcatek

Příspěvek od jenikHK » 15.08.2018 22:03

Ahoj,
Nasel jsem na ebay el. Sklopná zrcátka za rozumný peníz - netusite, zda se liší zrcátka pro C-max predFL a po FL? Předpokládám jiný konektor, ale stačilo by napr. U predFL Konektor střihnout a osadit odpovidajici tomu v autě?
A kolik pinu je osazeno v konektoru, když má mit zrcátko sklápění? Popis na ebay je takový zmatený...

Díky.
Ford C-Max 1.8i 16V, 2010, Titanium
Obrázek

Byl: Ford Focus 1.8 TDdi kombi, 1999, ghia
Byl: Ford Sierra 2.0i DOHC kombi, 1989, LX

Uživatelský avatar
ZaQik
Admin
Admin
Příspěvky: 24887
Registrován: 30.05.2010 17:33
Bydliště: exit 82 na D0

Re: Elektricke sklapeni zrcatek

Příspěvek od ZaQik » 17.08.2018 19:46

Ford Focus mk3 combi 1.6 Ti-VCT, r.v.2018 + Ford Fiesta mk7 3D 1.25, r.v.2014
byl Ford Focus mk2 combi 1.6, r.v.2009 + Ford Fiesta mk6 1.4 TDCi r.v. 2004
Nejsem poradna, encyklopedie ani hotline spolecnosti Ford - ptejte se na foru, od toho je.

Uživatelský avatar
jenikHK
Moderátor
Moderátor
Příspěvky: 3134
Registrován: 10.03.2008 14:30
Bydliště: Praha

Re: Elektricke sklapeni zrcatek

Příspěvek od jenikHK » 18.08.2018 21:10

Dekuju moc za nasmerovani - pokud bych teda sehnal ty pred FL zrcátka a jal se je osadit na po FL auto, coz snad chápu dobre, ze jde, samozřejmě s podmínkou přehozeni napájení natáčení zrcatek, tak bych potřeboval správný konektor kabelaze zrcatek. Netusite prosim, co je to zac?
Ford C-Max 1.8i 16V, 2010, Titanium
Obrázek

Byl: Ford Focus 1.8 TDdi kombi, 1999, ghia
Byl: Ford Sierra 2.0i DOHC kombi, 1989, LX

Uživatelský avatar
ZaQik
Admin
Admin
Příspěvky: 24887
Registrován: 30.05.2010 17:33
Bydliště: exit 82 na D0

Re: Elektricke sklapeni zrcatek

Příspěvek od ZaQik » 19.08.2018 08:23

pouzij konektor ze stavajich zrcatek :wink:
Ford Focus mk3 combi 1.6 Ti-VCT, r.v.2018 + Ford Fiesta mk7 3D 1.25, r.v.2014
byl Ford Focus mk2 combi 1.6, r.v.2009 + Ford Fiesta mk6 1.4 TDCi r.v. 2004
Nejsem poradna, encyklopedie ani hotline spolecnosti Ford - ptejte se na foru, od toho je.

Uživatelský avatar
jenikHK
Moderátor
Moderátor
Příspěvky: 3134
Registrován: 10.03.2008 14:30
Bydliště: Praha

Re: Elektricke sklapeni zrcatek

Příspěvek od jenikHK » 20.08.2018 21:06

Mno, to je samozřejmě taky možnost, ale radši bych si stávající zrcátka nechal jako uloženku.

A dále ještě prosím, existuje schema dveřní kabelaze? Ptám se, ze bude zřejmě potřeba doplnit vedeni pro sklapani. Výše je ten link na dodelavku s rele, coz se mi tak úplně nehodí...

Hlavně přemýšlím, zda se do toho vůbec pouštět - dle 7zap mam v aute kabeláž, které chybí sklapeni :/, ale netuším, v čem všem se od sebe liší.

Zase na druhou stranu, kably pro zadní vyskace v aute byly i když původně výšky chyběly. Zase nezbude nic jiného, než to rozvrtat ;)
Ford C-Max 1.8i 16V, 2010, Titanium
Obrázek

Byl: Ford Focus 1.8 TDdi kombi, 1999, ghia
Byl: Ford Sierra 2.0i DOHC kombi, 1989, LX

Uživatelský avatar
ZaQik
Admin
Admin
Příspěvky: 24887
Registrován: 30.05.2010 17:33
Bydliště: exit 82 na D0

Re: Elektricke sklapeni zrcatek

Příspěvek od ZaQik » 21.08.2018 06:57

mas auto poFL, tam se dodelavaji draty mezi zrcatkem a dvernim modulem + mezi tlacitkem na sklapeni a dvernim modulem
koukni kolik a jake piny mas v konektorech u zrcatek ted
Ford Focus mk3 combi 1.6 Ti-VCT, r.v.2018 + Ford Fiesta mk7 3D 1.25, r.v.2014
byl Ford Focus mk2 combi 1.6, r.v.2009 + Ford Fiesta mk6 1.4 TDCi r.v. 2004
Nejsem poradna, encyklopedie ani hotline spolecnosti Ford - ptejte se na foru, od toho je.

Uživatelský avatar
jenikHK
Moderátor
Moderátor
Příspěvky: 3134
Registrován: 10.03.2008 14:30
Bydliště: Praha

Re: Elektricke sklapeni zrcatek

Příspěvek od jenikHK » 25.08.2018 19:39

Děkuji za další nasměrování - pokud by byl rozdíl v kabeláži jen k zrcátkům a tlačítku ovládání, tak je to v poho :palec_nahoru:

Mrknul jsem, co je v autě v pravých dveřích, abych dostal jednoznačnou odpověď a teda bez sundání celého tapecu nejsem schopen se podívat, kolik drátků jde do konektoru ze dveří - kabel je moc krátký.

Takže, konektor je tenhle 8-pinový, 7 pinů je obsazeno (jde ven do zrcátka. Vypadá to, že 7 různých kablíků jde i z auta, ale to tipuju jen podle fotky. zdá se mi, že stejné konektory mají Mk2 C-Maxy?
konektor_zrcatka_01.JPG
konektor_zrcatka_02.JPG
konektor_zrcatka_02.JPG (26.48 KiB) Zobrazeno 6039 x
konektor_zrcatka_03.JPG
konektor_zrcatka_03.JPG (26.55 KiB) Zobrazeno 6039 x
Co jsem našel před FL zrcátka s 10-pinovými konektory na ebay, tak mají taky obsazeno 7 pinů, ale kabliku leze z konektoru 9. Což mi hlava nebere :-).

Jestli by teda nebyla cesta přemontování motorků sklápění zrcátek? Jestli by teda šlo použít i ty před FL zrcátka...
Ford C-Max 1.8i 16V, 2010, Titanium
Obrázek

Byl: Ford Focus 1.8 TDdi kombi, 1999, ghia
Byl: Ford Sierra 2.0i DOHC kombi, 1989, LX

Uživatelský avatar
ZaQik
Admin
Admin
Příspěvky: 24887
Registrován: 30.05.2010 17:33
Bydliště: exit 82 na D0

Re: Elektricke sklapeni zrcatek

Příspěvek od ZaQik » 30.08.2018 06:59

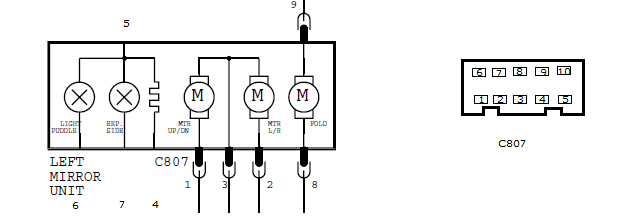
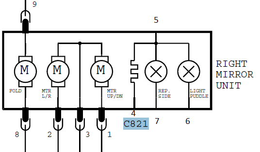
u poFL je jen 8 pinu:
C806 - vnejsi zrcatko
1 - zluto-modry - ovladani naklopeni osa X
2 - bily - ovladani naklopeni osa X / Y
3 - modro-cerveny - ovladani naklopeni osa Y / FOLD OUT
4 - bilo-zeleny - FOLD IN
5 - zeleno-cerny - vyhrev
6 - cerny - kostra
7 - modro-cerveny - blinkr
8 - oranzovo-bily - osvetleni nastupu
Ford Focus mk3 combi 1.6 Ti-VCT, r.v.2018 + Ford Fiesta mk7 3D 1.25, r.v.2014
byl Ford Focus mk2 combi 1.6, r.v.2009 + Ford Fiesta mk6 1.4 TDCi r.v. 2004
Nejsem poradna, encyklopedie ani hotline spolecnosti Ford - ptejte se na foru, od toho je.

Uživatelský avatar
jenikHK
Moderátor
Moderátor
Příspěvky: 3134
Registrován: 10.03.2008 14:30
Bydliště: Praha

Re: Elektricke sklapeni zrcatek

Příspěvek od jenikHK » 02.09.2018 20:45

Děkuji - teda snad čím víc se v tom rejpám, tak jsem z toho víc jelen.
Barvy "samozřejmě" nesedějí, to bych měl asi moc snadný - z fotky poznám akorát dva:
1 - zeleno-žlutý
5 - žluto-černý

Ale budu předpokládat, že zapojení konektoru je stejné a jsou jen jiné barvy a že je použito všech 8 pinů.
Dokonce jsem se dopátral i konektorů, který je od molexu, našel jsem i kde ho koupit, ale ještě potřebuju vyslídit piny a taky konektor tlačítka.

Nicméně:
Klidně bych i koupil ty předFL zrcátka a předělal konektor, jen nechápu, jak je to u nich zapojené, když el. sklopná zrcátka pro předFL auta mají zapojeno jen 7 pinů / 9 drátků na 10 pinovém konektoru...
Věděl bys prosím i zapojení konektoru předFL zrcátek, abych to dal z toho nějak dokupy?
Přílohy
fordcatalogexample-3d.pdf
(870.54 KiB) Staženo 252 x
307001100_sd.pdf
(719.44 KiB) Staženo 198 x
Ford C-Max 1.8i 16V, 2010, Titanium
Obrázek

Byl: Ford Focus 1.8 TDdi kombi, 1999, ghia
Byl: Ford Sierra 2.0i DOHC kombi, 1989, LX

Uživatelský avatar
jirkaj
Člen klubu
Člen klubu
Příspěvky: 869
Registrován: 28.04.2013 20:47
Bydliště: Vsetín

Re: Elektricke sklapeni zrcatek

Příspěvek od jirkaj » 02.09.2018 22:35

Focus MK2 před FL
konektor_před FL.png
Focus MK2 po FL
konektor poFL.png

Uživatelský avatar
jenikHK
Moderátor
Moderátor
Příspěvky: 3134
Registrován: 10.03.2008 14:30
Bydliště: Praha

Re: Elektricke sklapeni zrcatek

Příspěvek od jenikHK » 03.09.2018 20:31

Klucííí, pomóóóc, já si už připadám jak dement.

konektor předFL zrcátek na C-maxu vypadá tahkle (jsou to dvě různá zrcátka, dva různí prodejci, takže by to mělo sedět - s el. sklápěním, lampička vespod a blinkr):
predFL_konektor.JPG
predFL_konektor_2.JPG
Kurník, ta zrcátka mají sice 9 drátků, ale jen 7 pinů na konektoru je obsazených a podle toho schéma výše jich má být obsazených 9. Copak to má c-max jinak, než focus?
Ford C-Max 1.8i 16V, 2010, Titanium
Obrázek

Byl: Ford Focus 1.8 TDdi kombi, 1999, ghia
Byl: Ford Sierra 2.0i DOHC kombi, 1989, LX

Uživatelský avatar
jirkaj
Člen klubu
Člen klubu
Příspěvky: 869
Registrován: 28.04.2013 20:47
Bydliště: Vsetín

Re: Elektricke sklapeni zrcatek

Příspěvek od jirkaj » 03.09.2018 21:28

Kdysik jsem měl c-maxové zrcátka, protože jsem se mylně :) domníval, že to musí být podobné a půjde to předělat na FF. Jasně že to nešlo, pak jsem je naštěstí prodal a z konverzace s kupujícím jsem vytáhl tohle:
1 - motorek naklápění nahoru/dolů s kontaktem 3 podle polarity +/- buď nahoru nebo dolů
2 - motorek naklápění vpravo/vlevo s kontaktem 3 podle polarity +/- buď vpravo nebo vlevo
3 - společný pro motorky naklápění viz výše
4 - +12V pro vyhřívání (společně s kostrou pin 5)
5 - společná kostra pro žárovky a vyhřívání
6 - +12V pro osvětlení nástupu
7 - +12V blinkr
8 - sklápění společně s 9 (podle polarity +/- buď sklápíte nebo odklápíte)
9 - sklápění společně s 8 (podle polarity +/- buď sklápíte nebo odklápíte)
10 - nezapojený
C-max_zrcátko.png
k1.jpg
k2.jpg
z1.jpg
lepší fotky už nemám, bylo to v roce 2015...

Uživatelský avatar
jenikHK
Moderátor
Moderátor
Příspěvky: 3134
Registrován: 10.03.2008 14:30
Bydliště: Praha

Re: Elektricke sklapeni zrcatek

Příspěvek od jenikHK » 04.09.2018 13:28

Jirko, děkuji - hlavně na fotky. Zírám tu na ně a pak mi to došlo - před FL el.sklopná zrcátka musí mit 9 pinu a 11 drátků.
Takže obě dvě zrcátka u obou prodejcu nejsou el. Sklopná a oba prodejci nezávisle neví, co prodávají - jsou to lamy, mají "obyčejná" ghia zrcátka s blinkry a svetly nástupu.
Takže akce tim pádem padá...
Ford C-Max 1.8i 16V, 2010, Titanium
Obrázek

Byl: Ford Focus 1.8 TDdi kombi, 1999, ghia
Byl: Ford Sierra 2.0i DOHC kombi, 1989, LX

Uživatelský avatar
jirkaj
Člen klubu
Člen klubu
Příspěvky: 869
Registrován: 28.04.2013 20:47
Bydliště: Vsetín

Re: Elektricke sklapeni zrcatek

Příspěvek od jirkaj » 04.09.2018 14:10

Přijde mi, že těch drátů je 10, pinů 9
1 hnědý
2 zelený
3 2x šedý (spojené motorky náklonu)
4 černý
5 oranžový
6 žlutý
7 červený
8 modrý
9 bílý

8 a 9 je to co hledáš (motorek sklápění)
ale to jenom tak odezírám z těch fotek, už si to nepamatuju...
Naposledy upravil(a) jirkaj dne 04.09.2018 21:00, celkem upraveno 1 x.

Uživatelský avatar
jenikHK
Moderátor
Moderátor
Příspěvky: 3134
Registrován: 10.03.2008 14:30
Bydliště: Praha

Re: Elektricke sklapeni zrcatek

Příspěvek od jenikHK » 04.09.2018 20:47

Tak ono to treba i pujde :-), jen teda doufam, že bude stačit upravit kabelaz zrcatka, resp. predelat konektor a bude vse slapat a ze neni mezi predFL a po FL nejaka dalsi bota.
Nasel jsem teda zrcatko meziFL a prodejce komunikuje a poslal fotku konektoru, kde je 9 pinu. Teda jen prave, ale do zacatku by mi i stacilo :-)
konektor_meziFL.JPG
konektor_meziFL_2.JPG
konektor_meziFL_3.JPG
konektor_meziFL_3.JPG (25.06 KiB) Zobrazeno 5684 x
Ford C-Max 1.8i 16V, 2010, Titanium
Obrázek

Byl: Ford Focus 1.8 TDdi kombi, 1999, ghia
Byl: Ford Sierra 2.0i DOHC kombi, 1989, LX

Odpovědět

Zpět na „Focus - karoserie 2004 - 2011“

Kdo je online

Uživatelé prohlížející si toto fórum: Žádní registrovaní uživatelé a 0 hostů