EGR ventil - mondeo

Moderátor:phofy
Odpovědět
Brehowicz
Test driver
Test driver
Příspěvky: 4257
Registrován: 16.12.2009 13:04

Re: EGR ventil - mondeo

Příspěvek od Brehowicz » 26.02.2012 21:26

Sem zvědavý jak dopadneš s tím zaslepením u tohodle typu EGR,ale kontrolka bude svíti téměř s jistotou a nakonec bych se ani nedivil kdyby tě to hodilo do nouzáku.Tohle kurvítko vypadá pěkně složitě s tou další klapkou na vzduchu,vypadá to jakoby regulovala přívod čistého vzduchu vs. množství recispalin,aby toho vzduchu nebylo nakonec dost málo.Však uvidíš a my se dovíme víc.

Uživatelský avatar
lucky.jack
Test driver
Test driver
Příspěvky: 8472
Registrován: 12.03.2011 21:18
Bydliště: v Hradci Královým

Re: EGR ventil - mondeo

Příspěvek od lucky.jack » 26.02.2012 21:43

Jj tenhle EGR je snad jeden z nejhorších a ta cena je opravdu lidová. Lidi při zjištění ceny buď kolabují nebo posílají henryho do(však víte kam).
Jo a potom ještě vodou chlazený EGR na Transitech, to je taky libůvka :roll:
Focus III combi, 10/2011, 1.6 Ti-VCT 105 poníků

>Galerie< - Focus II combi 10/2007 Collection(mezifacelift), 1.6 TDCi 66 kW/214Nm - chip 81kW/245Nm

vencator
Junior
Junior
Příspěvky: 496
Registrován: 04.11.2010 15:51
Bydliště: telnice

Re: EGR ventil - mondeo

Příspěvek od vencator » 27.02.2012 21:32

tak mě dnes borec poradil at to zkusím zaslepit až u motoru a chyba by se neměla už rozsvicovat,zkoušel jste to někdo?já to zkusím zítra.
Mondeo 2.0 TDCI 96kw\2006 kombi

vencator
Junior
Junior
Příspěvky: 496
Registrován: 04.11.2010 15:51
Bydliště: telnice

Re: EGR ventil - mondeo

Příspěvek od vencator » 28.02.2012 17:15

neví někdo co snímá to čidlo v tom egru?mám ten stím jedním konektorem a do něj jdou 3dráty.
Mondeo 2.0 TDCI 96kw\2006 kombi

Uživatelský avatar
Vlada
Nováček
Nováček
Příspěvky: 131
Registrován: 02.02.2008 03:18
Bydliště: Sokolov
Kontaktovat uživatele:

Re: EGR ventil - mondeo

Příspěvek od Vlada » 29.02.2012 16:27

Je to čídlo na určení polohy pístku, kterej propouští výf. plyny z motoru zpět do sání.
FOCUS 1.6i 16V 74kW 1999 5-dv. GHIA RED PEPPER
Obrázek

Mondeo 2.0 TDCI 96KW kombi, 2004, Ghia, Tonic - nejporuchovější auto v rodině :/
Obrázek

vencator
Junior
Junior
Příspěvky: 496
Registrován: 04.11.2010 15:51
Bydliště: telnice

Re: EGR ventil - mondeo

Příspěvek od vencator » 29.02.2012 17:09

dal jsem záslepku na druhou stranu tak uvidíme,sice to má dívnej zvuk něco jak kdyby tam byl blof of ventil.ujeto asi 12 km a zatím bez kontrolky,dám vědět jak to bude probíhat
Mondeo 2.0 TDCI 96kw\2006 kombi

Brehowicz
Test driver
Test driver
Příspěvky: 4257
Registrován: 16.12.2009 13:04

Re: EGR ventil - mondeo

Příspěvek od Brehowicz » 29.02.2012 17:46

Sice moc nechápu jak by to mělo pomoct tím že je to dané z druhé srany,ale aspoň to skusíš.
Rosvícení kontrolky není hned, ale trvá to než se rožne cca 30-40km,stejně dlouho to pak trvá než sama po vyndání zaslepky nebo odvrtání otvoru zhasne.Tož držím palce :palec_nahoru:

Uživatelský avatar
veny
Test driver
Test driver
Příspěvky: 2209
Registrován: 30.03.2009 11:24
Kontaktovat uživatele:

Re: EGR ventil - mondeo

Příspěvek od veny » 29.02.2012 21:46

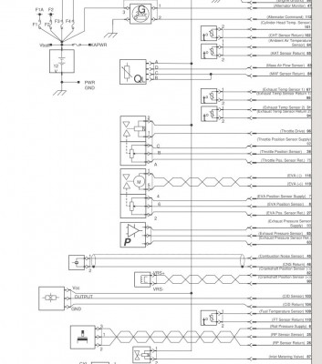
neví někdo jaký jsou čidla a kde u Egru řízeného komplet elektrikou? 5 kabelů k němu... Popřípadě nějaký schéma by někdo nenašel??? Mě to začlo házet do nouzáku, byliká kontrolka žhavení a svítí motoru... Na diagnostice ukáže chybu egru a výfukového potrubí, přitom ale egr je po repasování, takže na 100% mechanicky v pohodě.... Někdo nějaký nápad?

xbobcz
Junior
Junior
Příspěvky: 260
Registrován: 11.04.2011 21:16
Bydliště: Brno

Re: EGR ventil - mondeo

Příspěvek od xbobcz » 29.02.2012 22:06

U těch elektricky ovládaných jsou 2 dráty elektromotor a 3 potenciometr snímače polohy. Na schématu je EGR označené jako EVA
Přílohy
egr.jpg
Focus II 1.8 TDCi

Uživatelský avatar
veny
Test driver
Test driver
Příspěvky: 2209
Registrován: 30.03.2009 11:24
Kontaktovat uživatele:

Re: EGR ventil - mondeo

Příspěvek od veny » 29.02.2012 22:13

Aha, takže jediný co by připadalo v uvahu, že ten snímač polohy je v háji ne??? Dík za schéma, super

xbobcz
Junior
Junior
Příspěvky: 260
Registrován: 11.04.2011 21:16
Bydliště: Brno

Re: EGR ventil - mondeo

Příspěvek od xbobcz » 29.02.2012 22:17

Predpokladam, ze to budou olamany plastovy ozubeny kolecka ktery jsou na tom motoru.
Focus II 1.8 TDCi

Uživatelský avatar
veny
Test driver
Test driver
Příspěvky: 2209
Registrován: 30.03.2009 11:24
Kontaktovat uživatele:

Re: EGR ventil - mondeo

Příspěvek od veny » 29.02.2012 22:21

nene plastový kolečka tam určitě nejsou a ani nebyli... Ale přivedl jsi mě na další myšlenku, se na to zítra zase podívám a znova ho rozeberu... snad i nafotím a něco sem hodím...

Každopádně díky moc za rady...

vencator
Junior
Junior
Příspěvky: 496
Registrován: 04.11.2010 15:51
Bydliště: telnice

Re: EGR ventil - mondeo

Příspěvek od vencator » 01.03.2012 09:28

brehowic:kámoš co má fokusa nemá čidlo ale když zaslepil podtlak rožla se chyba,zaslepil to hned u motoru a vše ok,ale je to jinej motor.
ale když sem se ptal borca že mě svítí ta chyba jestli to nepůjde odstranit,tak hned kde to mám zaslepený a at to dám na druhou stranu.uvidíme,dnes jedu do brna tak najedu těch 30km,doufám že se nerozsvítí,jen nechápu ten zvuk co mě to dělá,vše sem zkontroloval a vše utěsněno.jak přidám nad dva 2000ot tak jak pustím plyn tak to jaksy zakňučí,snad to nebude další zaváda.
Mondeo 2.0 TDCI 96kw\2006 kombi

Uživatelský avatar
veny
Test driver
Test driver
Příspěvky: 2209
Registrován: 30.03.2009 11:24
Kontaktovat uživatele:

Re: EGR ventil - mondeo

Příspěvek od veny » 01.03.2012 10:58

Podle mě to může být způsobeno jiným prouděním výfukových zplodin a třeba jejich zpětnému vracení do motoru... Pokud je záslepka před čidlem, tak by se to nemuselo rozsvítit, hlásí to "čistý vzduch" jak před egrem tak za ním, tak by to nemuselo vyhazovat chybu... Ale to je jenom laický pohled.

Jinak k těm potenciometrům... Asi ten snímač bude na ose elektormotoru, takže tam nic neuvidím... Předpokládám... Ani s tím nic nepůjde udělat za předpokladu že to špatně vyhodnocuje... Takže jedině ho celý vyměnit ne?

vencator
Junior
Junior
Příspěvky: 496
Registrován: 04.11.2010 15:51
Bydliště: telnice

Re: EGR ventil - mondeo

Příspěvek od vencator » 01.03.2012 17:16

tak to nefunguje,už se mi to rozsvítilo.takže to prostě někde snímá nebo to prostě motor pozná že tam ty spaliny nejdou jediná možnost to předělat v řj a na to jsem nikoho nesehnal.zajímalo by mě kde to zjistí že tam ty spaliny nejdou,
Mondeo 2.0 TDCI 96kw\2006 kombi

Odpovědět

Zpět na „Motor - Mondeo“

Kdo je online

Uživatelé prohlížející si toto fórum: Žádní registrovaní uživatelé a 1 host