Angel eyes

Muzika,spoilery,světla,podvozek.....
Odpovědět
Uživatelský avatar
fplisek
Zkušený
Zkušený
Příspěvky: 1254
Registrován: 02.02.2008 03:18
Bydliště: Ohrazenice okr. Třebíč, Brno
Kontaktovat uživatele:

Re: Angel eyes

Příspěvek od fplisek » 22.04.2009 11:36

A už víš přesně jaký? Já je půjdu za chvíli koupit, tak že bych kondíky koupil taky, teď řeším s cr4sh3r87 jak je co nejefektivněji zapojit
Ford Focus 1.8 TDCi 85kW + Bluefin, K&N, IC z FoFoII, Silver, 17" Wolf, Eibach, RS nárazník, xenony, nivelace, ostřiky, ST vyhřívané sedačky, vyhřívané čelní sklo, 4x el. okna, digi klima, BC, el. šíbr, tempomat, alarm: Galerie
Obrázek

Uživatelský avatar
fplisek
Zkušený
Zkušený
Příspěvky: 1254
Registrován: 02.02.2008 03:18
Bydliště: Ohrazenice okr. Třebíč, Brno
Kontaktovat uživatele:

Re: Angel eyes

Příspěvek od fplisek » 22.04.2009 12:24

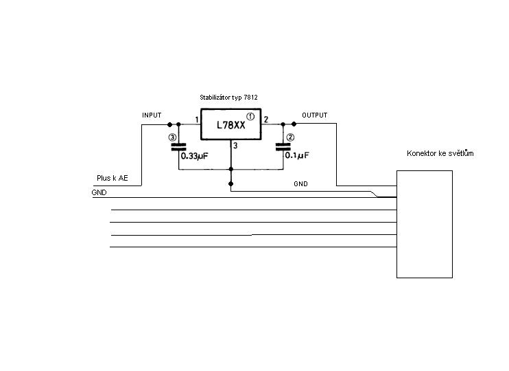
Tak už jsem zjistil z datasheetu jaký kondíky by měly být použity, navrhnul jsem zapojení, kdyžtak to zkontrolujte vy, co se vyznáte v elektrice, jestli je to zapojení dobře :) , kondíky jsou použity elektrolytické, pouzdro stabilizátoru TO-220
Kondíky
Kondíky
Kondíky.JPG (5.99 KiB) Zobrazeno 2866 x
Zapojení podle mě
Zapojení podle mě
Ford Focus 1.8 TDCi 85kW + Bluefin, K&N, IC z FoFoII, Silver, 17" Wolf, Eibach, RS nárazník, xenony, nivelace, ostřiky, ST vyhřívané sedačky, vyhřívané čelní sklo, 4x el. okna, digi klima, BC, el. šíbr, tempomat, alarm: Galerie
Obrázek

Uživatelský avatar
Kroco02
Pokročilý
Pokročilý
Příspěvky: 801
Registrován: 20.08.2008 09:16
Bydliště: Slušovice [Zl]
Kontaktovat uživatele:

Re: Angel eyes

Příspěvek od Kroco02 » 22.04.2009 12:44

Tak to zapojení máž z datasheetu, jak jsem psal, takže určitě bude dobře, navic se uvadi stejne hodnoty kondiku u vice vyrobcu.. jen je trochu problém, že stabilizator má úbytek kolem 5V, což už je docela dost.. Někde jsem ještě slyšel o možnosti dát tam stabik na 10V a nejak zapojit odpor (buď by se použit spínaný měnič,ale ten moc levný není, proto použít stabilizátor 7810 a zmenšit odpor v serii s LED diodami), ale asi bych to nechal na tom zapojení, jak jsi nakreslil..fungovat bude dobře a účel to snad splní..
Ford Focus 1.6 16V Trend / r.v. 2002 / 150 tkm / Fólie 45-10 / 16'' Ford Graphite / K&N / REMUS / GREY / GALERKA!
Obrázek Obrázek

Dojezdil:
Ford Focus 1.6 Trend / r.v. 1999 / nedojetých 76tis / GREEN / GALERKA!
Obrázek

Uživatelský avatar
Kroco02
Pokročilý
Pokročilý
Příspěvky: 801
Registrován: 20.08.2008 09:16
Bydliště: Slušovice [Zl]
Kontaktovat uživatele:

Re: Angel eyes

Příspěvek od Kroco02 » 22.04.2009 13:41

fplisek píše:
Kroco02 píše:Dyt jsou to tyto, co mas ty, jen v cernem.. :?
Já vím, vzhledově jo, ale nejsou od FK, ani tam není uvedený výrobce, mě se tyhle prostě nějak nezdají
Takže mi napsali, že je to FK pro které to vyrábí DEPO, žárovky jsou 2x H7..Takže by to měli být ty tvoje..
Ford Focus 1.6 16V Trend / r.v. 2002 / 150 tkm / Fólie 45-10 / 16'' Ford Graphite / K&N / REMUS / GREY / GALERKA!
Obrázek Obrázek

Dojezdil:
Ford Focus 1.6 Trend / r.v. 1999 / nedojetých 76tis / GREEN / GALERKA!
Obrázek

Uživatelský avatar
mosad
Junior
Junior
Příspěvky: 347
Registrován: 02.02.2008 03:18
Bydliště: Plzeň

Re: Angel eyes

Příspěvek od mosad » 22.04.2009 14:05

to Kasi: na tom odkazu jsem už před časem byl, maníkovi jsem dokonce volal, aby ceny potvrdil, pravil, že už na tu stránku rok nešáhl, protože to nikdo neobjednává a tak ceny neplatí. Slib, že pošle nové nedodržel.
Budu je případně objednávat u Auto Kelly. Cena s xenonem je 34 tisíc + doplnění ostřikovačů světel 5 800, bihalogeny s naklápěním DynaBeam 25 500 a bihalogen bez naklápění cca 16 900. Elit je o několik tisíc dražší.
Ford Focus kombi GHIA, 1,6 ZETEC SE (100k), r.v. 02/2000, moondust silver
Obrázek
Ford Fiesta Flair, 1.3, 44kW, r.v. 03/1998, červená

Uživatelský avatar
Kroco02
Pokročilý
Pokročilý
Příspěvky: 801
Registrován: 20.08.2008 09:16
Bydliště: Slušovice [Zl]
Kontaktovat uživatele:

Re: Angel eyes

Příspěvek od Kroco02 » 22.04.2009 17:25

Ještě jsem našel tyhle, máte je někdo na autě, či podle fotek lze poznat, jestli mají prostor pro motorky? Kdo myslíte že je výrobce? Psal jsem prodavajici, ale napsala jen ze tomu nerozumi a nic víc neví, ze bohuzel nedokaze pomoct..Prodávají je i na ebay.de, ale taky jsem tam nenašel, jestli el. naklápění tam je, nebo ne.. Navíc se tam dává 2xH1, což znamená zhoršená svítivost oproti H7, alespoň podle toho, co jste tu psali..
Ford Focus 1.6 16V Trend / r.v. 2002 / 150 tkm / Fólie 45-10 / 16'' Ford Graphite / K&N / REMUS / GREY / GALERKA!
Obrázek Obrázek

Dojezdil:
Ford Focus 1.6 Trend / r.v. 1999 / nedojetých 76tis / GREEN / GALERKA!
Obrázek

Uživatelský avatar
mosad
Junior
Junior
Příspěvky: 347
Registrován: 02.02.2008 03:18
Bydliště: Plzeň

Re: Angel eyes

Příspěvek od mosad » 23.04.2009 17:29

Ke svítivosti, na lampě je uvedena hodnota 12,5 originál lampa s žárovkou H4 má hodnotu 20. Já to jako laik vnímám tak, že to prostě dává méně světla. Wikipedie říká, že: Svítivost udává prostorovou hustotu světelného toku zdroje v různých směrech. Logicky čím nižší číslo, tím méně světla??
Ford Focus kombi GHIA, 1,6 ZETEC SE (100k), r.v. 02/2000, moondust silver
Obrázek
Ford Fiesta Flair, 1.3, 44kW, r.v. 03/1998, červená

Wolf2

Re: Angel eyes

Příspěvek od Wolf2 » 23.04.2009 17:41

to mosad - raději bych za ty prachy šel do origo xenonů za cca 16tis kč a ještě ušetříš :wink: :wink: :lol: :lol: :lol:

Uživatelský avatar
kasi
Test driver
Test driver
Příspěvky: 8468
Registrován: 02.02.2008 03:18
Bydliště: Domažlice(CZ)
Kontaktovat uživatele:

Re: Angel eyes

Příspěvek od kasi » 23.04.2009 23:25

asi tak nějak už moc nehledej nebo si kup ty helly jak měl Boban :idea:
je Ford Focus 1.8L Zetec-E EFI r.v.00,Sedan,Pacific Green Metallic,Ghia
byl Ford Focus 1.8L Endura TDdi r.v.99,Hatchback,Moondust Silver Metallic,Ghia
Obrázek

Uživatelský avatar
fplisek
Zkušený
Zkušený
Příspěvky: 1254
Registrován: 02.02.2008 03:18
Bydliště: Ohrazenice okr. Třebíč, Brno
Kontaktovat uživatele:

Re: Angel eyes

Příspěvek od fplisek » 24.04.2009 17:36

Tak jsem teď vybastlil stabilizátory :wink: , zítra jdou na auto :)
Stabiky.jpg
Ford Focus 1.8 TDCi 85kW + Bluefin, K&N, IC z FoFoII, Silver, 17" Wolf, Eibach, RS nárazník, xenony, nivelace, ostřiky, ST vyhřívané sedačky, vyhřívané čelní sklo, 4x el. okna, digi klima, BC, el. šíbr, tempomat, alarm: Galerie
Obrázek

Uživatelský avatar
Kroco02
Pokročilý
Pokročilý
Příspěvky: 801
Registrován: 20.08.2008 09:16
Bydliště: Slušovice [Zl]
Kontaktovat uživatele:

Re: Angel eyes

Příspěvek od Kroco02 » 25.04.2009 10:57

Hezky sis s tim pohral :wink:
Ford Focus 1.6 16V Trend / r.v. 2002 / 150 tkm / Fólie 45-10 / 16'' Ford Graphite / K&N / REMUS / GREY / GALERKA!
Obrázek Obrázek

Dojezdil:
Ford Focus 1.6 Trend / r.v. 1999 / nedojetých 76tis / GREEN / GALERKA!
Obrázek

Uživatelský avatar
fplisek
Zkušený
Zkušený
Příspěvky: 1254
Registrován: 02.02.2008 03:18
Bydliště: Ohrazenice okr. Třebíč, Brno
Kontaktovat uživatele:

Re: Angel eyes

Příspěvek od fplisek » 25.04.2009 18:56

Tak jsem dneska stabilizátory namontoval a vyměnil jsem jednu diodu v proužku, která mi nesvítila, zjistil jsem, že místo diod jsou v pruhu a kroužkách klasické celoskleněné žárovky 12V W5W, takže teoreticky jsem tam možná ty regulátory přidělával zbytečně, ale jistota je jistota :) , kdybych chtěl do budoucna někdy změnit barvu AE nebo pruhu, tak by to bylo úplně jednoduchý :wink:
Ford Focus 1.8 TDCi 85kW + Bluefin, K&N, IC z FoFoII, Silver, 17" Wolf, Eibach, RS nárazník, xenony, nivelace, ostřiky, ST vyhřívané sedačky, vyhřívané čelní sklo, 4x el. okna, digi klima, BC, el. šíbr, tempomat, alarm: Galerie
Obrázek

Uživatelský avatar
mosad
Junior
Junior
Příspěvky: 347
Registrován: 02.02.2008 03:18
Bydliště: Plzeň

Re: Angel eyes

Příspěvek od mosad » 27.04.2009 09:15

to Wolf 2 a Kasi: no já se s cenou těch Hella DynaBeam lamp dostanu na 16 400. Je to plug and play sada, takže obsahuje i redukce konektorů - nemusí se nic štípat a přepojovat a mělo by to makat tak, jak je to zapojené nyní na H4. Součástí je i naklápění ovládané z místa řidiče - má to nějaké své motorky, nemusí se přendavat.
Ty Helly co měl Boban se mi moc nelíbily.
Za nové origo xenony by si ve Fordu v Plzni řekli 13 500 za jednu lampu. U nich bych se na 16 za obě nedostal. U jetých asi jo.
Ford Focus kombi GHIA, 1,6 ZETEC SE (100k), r.v. 02/2000, moondust silver
Obrázek
Ford Fiesta Flair, 1.3, 44kW, r.v. 03/1998, červená

Uživatelský avatar
JardaL
Nováček
Nováček
Příspěvky: 9
Registrován: 02.02.2008 03:18

Re: Angel eyes

Příspěvek od JardaL » 27.04.2009 23:27

mosad píše:
Za nové origo xenony by si ve Fordu v Plzni řekli 13 500 za jednu lampu. U nich bych se na 16 za obě nedostal. U jetých asi jo.
Ta cena bude za asi samotnou prázdnou lampu.

Podle Microcatu jsem našel Finis kody a zadal do ceníku Fordu na netu:
- lampa 11.300,-
- cívka 6.450,-
- modul 12.660,-
- výbojka 2.450,-
http://www.fordoriginalnidily.cz/index.php

Uživatelský avatar
Kroco02
Pokročilý
Pokročilý
Příspěvky: 801
Registrován: 20.08.2008 09:16
Bydliště: Slušovice [Zl]
Kontaktovat uživatele:

Re: Angel eyes

Příspěvek od Kroco02 » 28.04.2009 01:10

Hosi nechci Vam do toho kecat, ale nechteli byste si na xenony udelat zvlastni vlakno :idea: + moderatori by vsechny prispevky k tomu presunuly tam.. :idea:
Ford Focus 1.6 16V Trend / r.v. 2002 / 150 tkm / Fólie 45-10 / 16'' Ford Graphite / K&N / REMUS / GREY / GALERKA!
Obrázek Obrázek

Dojezdil:
Ford Focus 1.6 Trend / r.v. 1999 / nedojetých 76tis / GREEN / GALERKA!
Obrázek

Odpovědět

Zpět na „Focus - tuning - 1998 - 2004“

Kdo je online

Uživatelé prohlížející si toto fórum: Žádní registrovaní uživatelé a 1 host