Stránka 17 z 44
Re: Vyhrivane predni sklo
Napsal: 26.10.2008 11:15
od milford
Pomohly.Alespoň jsem věděl co a jak.Ale ve Fordu ve Zlíně mě zblbli,že jsem nevěděl čí su.

Jinak jsem to zapojil,vyměnil vypínač a teď už jenom to sklo a hraju.Proud tam jde,tak je to OK

Re: Vyhrivane predni sklo
Napsal: 26.10.2008 21:16
od nexpetr
Re: Vyhrivane predni sklo
Napsal: 26.10.2008 21:36
od chmelko
nexpetr:a čo tým chceš povedat?
1/ ghia vybava mala byt v podstate ta naj, takže cela kabelaž bola unifikovana na max.vybavu
2/každým rokom u konkretneho projektu,modelu su povinne tzv.cost savings..redukcie nakladov a šetrí sa skutočne na všetkom nepotrebnom, takže zbytočna kabelaž a konektory su prve na rane a po FL boli tieto kroky 100% učinene

Re: Vyhrivane predni sklo
Napsal: 30.10.2008 18:23
od milford
Příprava tam je.Jak konektory na relé,tak kabeláž ke sklu
Re: Vyhrivane predni sklo
Napsal: 30.10.2008 18:45
od nexpetr
Ale je to bordel že u o 3 roky mladšího vozu(fofo) se na to už vysraly

Re: Vyhrivane predni sklo
Napsal: 30.10.2008 19:27
od kemo
Zase ne všude. Já přípravu - konektor v půlce skla a kontakty v pojistkové skříni v motoru mám.
Re: Vyhrivane predni sklo
Napsal: 22.11.2008 01:03
od Bubo
Tak dneska mi př.sklo prasklo v mrazu úplně. Chci dát vyhřívaný u FFI po FL, přípravu ale nemám. V pojistkách žádné patice, jenom díra.
1) Je možné dolpnit pouze patice po relé, a nějak zapojit (nevim ale jak), nebo vyměnit celou pojistkovou skříňku včetně kabeláže? Chci aby alespoň pojistky a rele vypadaly jako origo.
2) Vypínač mám již zapojený, vše ostatní funguje normálně, pouze kontrolka vyhř.př.skla nereaguje, ale to je asi spojené s pojistkou nebo konektorem? Nebo tam chybí pouze kus kabeláže? Pokud ano, tak kde?
Elektrikář u forda říkal, že to vyhřívání ovládá pouze časové relé, počítač prý ne. Tak nevim.
Vlákno jsem pročetl celé. Dík za jakoukoli radu.
Re: Vyhrivane predni sklo
Napsal: 22.11.2008 11:45
od foki
Bubo píše:Tak dneska mi př.sklo prasklo v mrazu úplně. Chci dát vyhřívaný u FFI po FL, přípravu ale nemám. V pojistkách žádné patice, jenom díra.
1) Je možné dolpnit pouze patice po relé, a nějak zapojit (nevim ale jak), nebo vyměnit celou pojistkovou skříňku včetně kabeláže? Chci aby alespoň pojistky a rele vypadaly jako origo.
2) Vypínač mám již zapojený, vše ostatní funguje normálně, pouze kontrolka vyhř.př.skla nereaguje, ale to je asi spojené s pojistkou nebo konektorem? Nebo tam chybí pouze kus kabeláže? Pokud ano, tak kde?
Elektrikář u forda říkal, že to vyhřívání ovládá pouze časové relé, počítač prý ne. Tak nevim.
Vlákno jsem pročetl celé. Dík za jakoukoli radu.
no ono je to trochu slozitejsi nez si myslis .
Re: Vyhrivane predni sklo
Napsal: 22.11.2008 12:32
od chmelko
tak neverim ,že si to vlakno prečítal...
inak ma pobavila veta " Vypínač mám již zapojený, vše ostatní funguje normálně, pouze kontrolka vyhř.př.skla nereaguje, ale to je asi spojené s pojistkou nebo konektorem? Nebo tam chybí pouze kus kabeláže"
to bolo fakt dobe...myslíš,že to funguje na infra povely?

Re: Vyhrivane predni sklo
Napsal: 22.11.2008 15:01
od Jemar
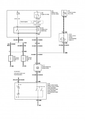
Opravdu to není až tak jednoduchý:

- Zapojení vyhřívání čelního skla po FL
Re: Vyhrivane predni sklo
Napsal: 23.11.2008 08:01
od Bubo
Jsem rád, že ses pobavil.
Chtěl jsem jen říct, že ostatní tlačítka fungujou normálně. Je mi jasný že to přední fungovat zatím nemůže, že tam chybí kabely, pojistky, relé....
Schema je dobré, dík. Nevíš ale odkud kam, na kterých konektorech to najdu? Které kabely ještě (kromě okno-pojisková skříň) je potřeba doplnit?
Re: Vyhrivane predni sklo
Napsal: 23.11.2008 08:29
od Jemar
Bubo píše:Schema je dobré, dík. Nevíš ale odkud kam, na kterých konektorech to najdu? Které kabely ještě (kromě okno-pojisková skříň) je potřeba doplnit?
To nevím , já mám vyhřívaný okno z výroby (před FL).
Re: Vyhrivane predni sklo
Napsal: 27.11.2008 10:54
od Bubo
Vyhřívané sklo budu 100% dávat. Našel by se někdo, kdo to už zapojoval? Případně mi s tím pomohl, nebo udělal?
Re: Vyhrivane predni sklo
Napsal: 30.11.2008 22:16
od Bubo
Když to nepůjde jinak, tak to udělám "homebastl", na samostatný vypínač. Sklo už mám objednaný.
Re: Vyhrivane predni sklo
Napsal: 30.11.2008 22:21
od chmelko
držím palce, a určo napíš ako si dopadol, hlavne pozor na prepalene draty a skraty
