

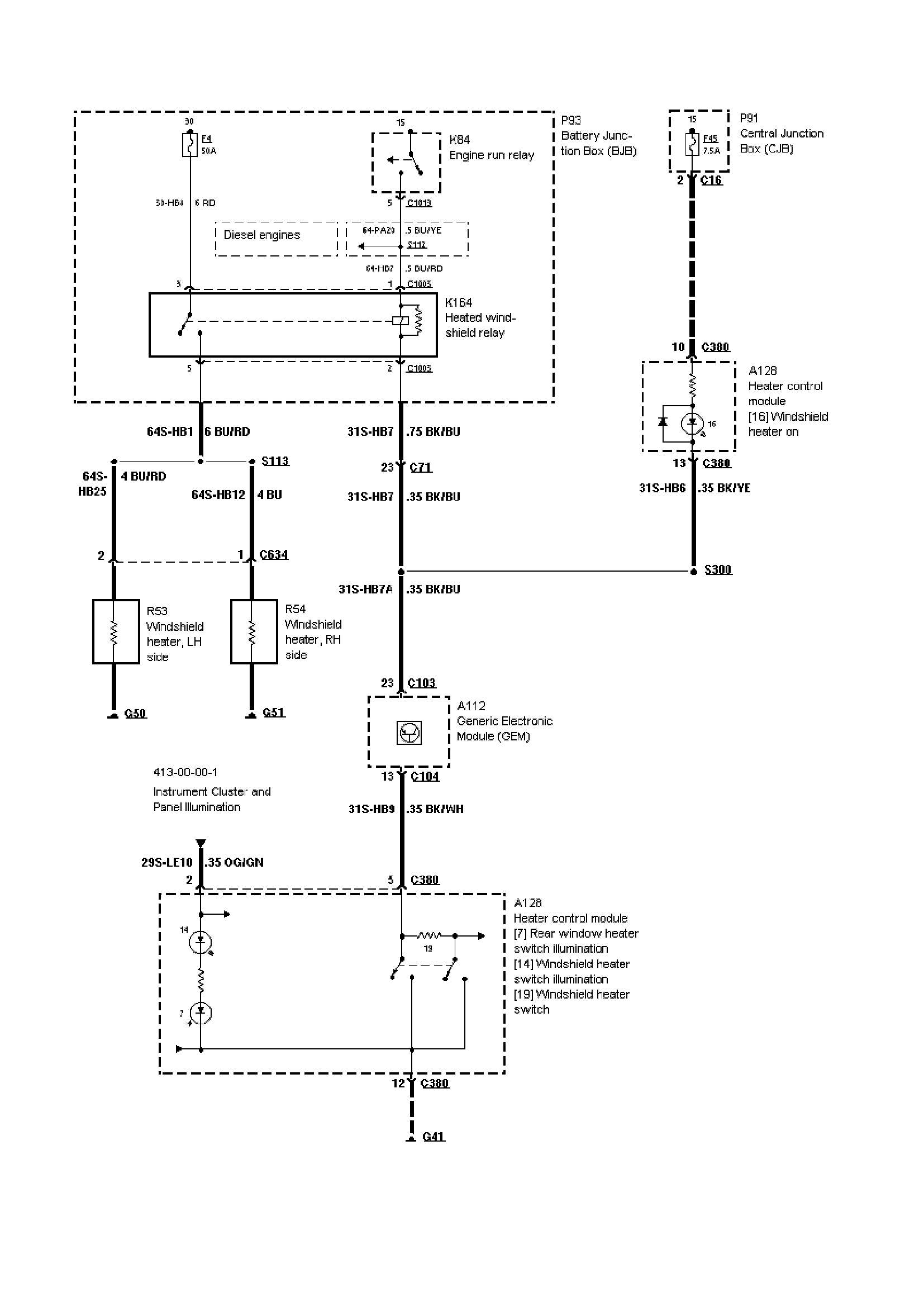
no ono je to trochu slozitejsi nez si myslis .Bubo píše:Tak dneska mi př.sklo prasklo v mrazu úplně. Chci dát vyhřívaný u FFI po FL, přípravu ale nemám. V pojistkách žádné patice, jenom díra.
1) Je možné dolpnit pouze patice po relé, a nějak zapojit (nevim ale jak), nebo vyměnit celou pojistkovou skříňku včetně kabeláže? Chci aby alespoň pojistky a rele vypadaly jako origo.
2) Vypínač mám již zapojený, vše ostatní funguje normálně, pouze kontrolka vyhř.př.skla nereaguje, ale to je asi spojené s pojistkou nebo konektorem? Nebo tam chybí pouze kus kabeláže? Pokud ano, tak kde?
Elektrikář u forda říkal, že to vyhřívání ovládá pouze časové relé, počítač prý ne. Tak nevim.
Vlákno jsem pročetl celé. Dík za jakoukoli radu.
To nevím , já mám vyhřívaný okno z výroby (před FL).Bubo píše:Schema je dobré, dík. Nevíš ale odkud kam, na kterých konektorech to najdu? Které kabely ještě (kromě okno-pojisková skříň) je potřeba doplnit?
Uživatelé prohlížející si toto fórum: Žádní registrovaní uživatelé a 1 host