Tempomat
- venca.mar.
- Junior

- Příspěvky: 481
- Registrován: 03.05.2011 14:10
- Bydliště: Plzeň
Re: Tempomat
Celková cena se vším všudy 1276 Kč.
Je Ford Focus ST MK4 Performance 2019,2,3 EB,206Kw (Revo Stage1),performance blue. Byl Ford Focus Titanium 2008, 1.6L Duratec 16V PFI (100PS) Sigma, Šedá Sea Grey. Galerie - Můj šedivák
- jenda^^
- Nováček

- Příspěvky: 96
- Registrován: 13.03.2014 10:43
- Bydliště: Karlovarsko
Re: Tempomat
Na stejné peníze mě, mimochodem, vyšla varianta s výměnou volantu za kožený s tlačítky a s tím, že jsem starý prodal.

- venca.mar.
- Junior

- Příspěvky: 481
- Registrován: 03.05.2011 14:10
- Bydliště: Plzeň
Re: Tempomat
Ale jak jsem psal,mě se ten volant s origo tlačítky nelíbí.Jo kdyby dělali tříramenný s tlačítkama,tak bych scháněl ten. 
Je Ford Focus ST MK4 Performance 2019,2,3 EB,206Kw (Revo Stage1),performance blue. Byl Ford Focus Titanium 2008, 1.6L Duratec 16V PFI (100PS) Sigma, Šedá Sea Grey. Galerie - Můj šedivák
- Karel2
- Test driver

- Příspěvky: 6913
- Registrován: 10.09.2011 09:51
- Bydliště: Přerov
Re: Tempomat
Jo jo, mam stejnej problem, nechci 4 ram.volant.
A cekam na ten 2 ks ovladace od toho polaka, snad ho posle.
Uz jsi ho nainstaloval do volantu?
Ford Focus III ST-Line, 1.5, 110kW, Red and Black ed. (r.v. 17)
byl: Ford Focus 1.6 16V 74kW+ 7/2011 Hatchback
byl: Ford Escort 1.8TD 51kW 10/1996 Hatchback
Galerie
byl: Ford Focus 1.6 16V 74kW+ 7/2011 Hatchback
byl: Ford Escort 1.8TD 51kW 10/1996 Hatchback
Galerie
- jenda^^
- Nováček

- Příspěvky: 96
- Registrován: 13.03.2014 10:43
- Bydliště: Karlovarsko
Re: Tempomat
venca: Jasně, já to chápu a četl jsem, že jsi to tu psal. Jen jsem chtěl dát vědět, že obě varianty můžou vyjít cenově +/- nastejno - tedy když se výměna volantu podaří s nákupem (koupil jsem za 1500,-) a prodejem volantu (původní jsem prodal za 800,-) za dobrou cenu. 
- venca.mar.
- Junior

- Příspěvky: 481
- Registrován: 03.05.2011 14:10
- Bydliště: Plzeň
Re: Tempomat
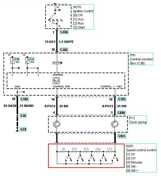
Ještě ne,chci ho rovnou i zapojit.Ale nevím který kabel je co.Je tam dvojlinka,jedna žíla zlatá,druhá zlatá s černým pruhem.Psal jsem mu E-mail který kabel se má připojit na ten bílý a který na hnědý a on my napsal že je to jedno.Tak jestli někdo neví,jestli se ty kabely 4 a 5 můžou přehodit,jinak to budu muset rozebrat a zjistit jak je to tam napojený.
Podle obrázku 4-hnědý,5-bílý.
Je Ford Focus ST MK4 Performance 2019,2,3 EB,206Kw (Revo Stage1),performance blue. Byl Ford Focus Titanium 2008, 1.6L Duratec 16V PFI (100PS) Sigma, Šedá Sea Grey. Galerie - Můj šedivák
- venca.mar.
- Junior

- Příspěvky: 481
- Registrován: 03.05.2011 14:10
- Bydliště: Plzeň
Re: Tempomat
Ty by si to mohl vědět,jak zapojit ty kabely na to ovládání.jenda^^ píše:venca: Jasně, já to chápu a četl jsem, že jsi to tu psal. Jen jsem chtěl dát vědět, že obě varianty můžou vyjít cenově +/- nastejno - tedy když se výměna volantu podaří s nákupem (koupil jsem za 1500,-) a prodejem volantu (původní jsem prodal za 800,-) za dobrou cenu.
Je Ford Focus ST MK4 Performance 2019,2,3 EB,206Kw (Revo Stage1),performance blue. Byl Ford Focus Titanium 2008, 1.6L Duratec 16V PFI (100PS) Sigma, Šedá Sea Grey. Galerie - Můj šedivák
- jenda^^
- Nováček

- Příspěvky: 96
- Registrován: 13.03.2014 10:43
- Bydliště: Karlovarsko
Re: Tempomat
U 4-5 je jedno, který je který. Leze to jen přes odpory a u těch na polaritě nezáleží.
- venca.mar.
- Junior

- Příspěvky: 481
- Registrován: 03.05.2011 14:10
- Bydliště: Plzeň
Re: Tempomat
A proč teda na tvé fotce to máš popsaný,když je to jedno?jenda^^ píše:U 4-5 je jedno, který je který. Leze to jen přes odpory a u těch na polaritě nezáleží.
Je Ford Focus ST MK4 Performance 2019,2,3 EB,206Kw (Revo Stage1),performance blue. Byl Ford Focus Titanium 2008, 1.6L Duratec 16V PFI (100PS) Sigma, Šedá Sea Grey. Galerie - Můj šedivák
- jenda^^
- Nováček

- Příspěvky: 96
- Registrován: 13.03.2014 10:43
- Bydliště: Karlovarsko
Re: Tempomat
To jsem dělal podle schématu, který tu někde bylo, a napsal si to, abych věděl, že to mám nacpat na 4-5 a ne někam jinam.
Navíc, jak jsem už psal u příspěvku s tou fotkou, v autě jsem pak zjistil, že ten konektor ve volantu má pro tempomat piny 2 a 3, protože na 4 a 5 je klakson.
Jak je to u toho konektoru dole, který máš na fotce ty, netuším.
Navíc, jak jsem už psal u příspěvku s tou fotkou, v autě jsem pak zjistil, že ten konektor ve volantu má pro tempomat piny 2 a 3, protože na 4 a 5 je klakson.
- venca.mar.
- Junior

- Příspěvky: 481
- Registrován: 03.05.2011 14:10
- Bydliště: Plzeň
Re: Tempomat
Tak to jo.Já kvůli tomu konektoru ve volantu ho nebudu sundavat.Já to napojím z toho konektoru na tý fotce. (Na radu Zaqika).Na tempomat kabel bílý(5) a hnědý(4),z toho obrázku je to vidět,jednička je napravo,devítka vlevo.Pak to souhlasí s tímto obrázkem.
Je Ford Focus ST MK4 Performance 2019,2,3 EB,206Kw (Revo Stage1),performance blue. Byl Ford Focus Titanium 2008, 1.6L Duratec 16V PFI (100PS) Sigma, Šedá Sea Grey. Galerie - Můj šedivák
- jenda^^
- Nováček

- Příspěvky: 96
- Registrován: 13.03.2014 10:43
- Bydliště: Karlovarsko
Re: Tempomat
Tak to bude ono, na tom schématu je vidět, že to 4 a 5 je ještě před tím otočným kontaktem. Čísla za ním (ve volantu) tam už nejsou.
Takže v tom případě prostě připojíš bílý a hnědý a půjde to.
Takže v tom případě prostě připojíš bílý a hnědý a půjde to.
- venca.mar.
- Junior

- Příspěvky: 481
- Registrován: 03.05.2011 14:10
- Bydliště: Plzeň
Re: Tempomat
To doufám. 
Je Ford Focus ST MK4 Performance 2019,2,3 EB,206Kw (Revo Stage1),performance blue. Byl Ford Focus Titanium 2008, 1.6L Duratec 16V PFI (100PS) Sigma, Šedá Sea Grey. Galerie - Můj šedivák
-
12matess3
Re: Tempomat
Dobrý deň, mám Ford Focus 1.6 TDCi 2007, Diesel a neviem ako sa zapína tempomat a ako to tam vlastne funguje?
Vysvetli mi to niekto?
Vysvetli mi to niekto?
- ZaQik
- Admin

- Příspěvky: 25212
- Registrován: 30.05.2010 17:33
- Bydliště: exit 82 na D0
Re: Tempomat
navod na uzivani: http://www.ford-focus.cz/forum/viewtopi ... 39#p542739
Ford Focus mk3 combi 1.6 Ti-VCT, r.v.2018 + Ford Fiesta mk7 3D 1.25, r.v.2014
byl Ford Focus mk2 combi 1.6, r.v.2009 + Ford Fiesta mk6 1.4 TDCi r.v. 2004
Nejsem poradna, encyklopedie ani hotline spolecnosti Ford - ptejte se na foru, od toho je.
byl Ford Focus mk2 combi 1.6, r.v.2009 + Ford Fiesta mk6 1.4 TDCi r.v. 2004
Nejsem poradna, encyklopedie ani hotline spolecnosti Ford - ptejte se na foru, od toho je.
Kdo je online
Uživatelé prohlížející si toto fórum: Žádní registrovaní uživatelé a 2 hosti


