Nefunkční ESP
- foki
- Admin

- Příspěvky: 19244
- Registrován: 02.02.2008 03:18
- Bydliště: České Budějovice
- Kontaktovat uživatele:
Re: Nefunkční ESP
diagnostika - pokud chyba 1288 tak objednat hydrauliku a vymenit .
Odpovědi lehké - 100,- Kč
Odpovědi, při kterých
se musí myslet - 240,- Kč
Vážné odpovědi - 340,- Kč
Odpovědi na hloupé
a zbytečné otázky - 400,- Kč
specialní sazba :
otázka, na kterou jsem už dříve odpověděl - 500 Kč
Odpovědi, při kterých
se musí myslet - 240,- Kč
Vážné odpovědi - 340,- Kč
Odpovědi na hloupé
a zbytečné otázky - 400,- Kč
specialní sazba :
otázka, na kterou jsem už dříve odpověděl - 500 Kč
- marosnet55
- Nováček

- Příspěvky: 106
- Registrován: 30.01.2010 22:19
Re: Nefunkční ESP
Ok, pondelok idem na diagnostiku.
- ZaQik
- Admin

- Příspěvky: 25144
- Registrován: 30.05.2010 17:33
- Bydliště: exit 82 na D0
Re: Nefunkční ESP
100% bez ESPsagitarus píše:Kurňa ..... WFOWXXGCDW7S84230. Díky vopred
Ford Focus mk3 combi 1.6 Ti-VCT, r.v.2018 + Ford Fiesta mk7 3D 1.25, r.v.2014
byl Ford Focus mk2 combi 1.6, r.v.2009 + Ford Fiesta mk6 1.4 TDCi r.v. 2004
Nejsem poradna, encyklopedie ani hotline spolecnosti Ford - ptejte se na foru, od toho je.
byl Ford Focus mk2 combi 1.6, r.v.2009 + Ford Fiesta mk6 1.4 TDCi r.v. 2004
Nejsem poradna, encyklopedie ani hotline spolecnosti Ford - ptejte se na foru, od toho je.
- marosnet55
- Nováček

- Příspěvky: 106
- Registrován: 30.01.2010 22:19
Re: Nefunkční ESP
Chalani poradte prosím.!!!!!!!!!!!!!!!!!!!!!!!!!!
Na diagnostike potvrdené chyba C1288.
Kde sa dá objednať cez internet súčiastka
(č.1692659 -hydraulická časť modulu ESP a ABS)
,ktorá rieši chybu č.1288 vadný senzor tlaku???
Mám technika či mi to urobí no nijako sa mu nedarí to zohnať.
VOPRED ĎAKUJEM.
Maroš.
Na diagnostike potvrdené chyba C1288.
Kde sa dá objednať cez internet súčiastka
(č.1692659 -hydraulická časť modulu ESP a ABS)
,ktorá rieši chybu č.1288 vadný senzor tlaku???
Mám technika či mi to urobí no nijako sa mu nedarí to zohnať.
VOPRED ĎAKUJEM.
Maroš.
- dakto25
- Nováček

- Příspěvky: 8
- Registrován: 06.07.2009 21:42
Re: Nefunkční ESP
Vo Forde. Mne ked to robili kupovali to priamo od Fordu, a este sa servisaka pytali na co mu to treba, ze oni to este nikdy neobjednavali.
Focus Combi II 5/2006, 1.6 TDCi, 80 kW, DPF
- marosnet55
- Nováček

- Příspěvky: 106
- Registrován: 30.01.2010 22:19
Re: Nefunkční ESP
Nazdar cena dielu je 260 eur.
No servis mi tvrdí že väčšinou odchádza celý modul ESP cca 1000eur.
Tak neviem objednať len ten diel za 266?
Nerád by som kupoval len časť, ak to nevyrieši moju chybu a
bude potrebné objednať aj celý modul.
By ma asi porazilo.
Poradte prosim.
Maroš.
No servis mi tvrdí že väčšinou odchádza celý modul ESP cca 1000eur.
Tak neviem objednať len ten diel za 266?
Nerád by som kupoval len časť, ak to nevyrieši moju chybu a
bude potrebné objednať aj celý modul.
By ma asi porazilo.
Poradte prosim.
Maroš.
- Komi
- Junior

- Příspěvky: 414
- Registrován: 02.02.2008 03:18
- Bydliště: Bratislava
Re: Nefunkční ESP
neviem na zaklade coho to servis tvrdi, ak fordova diagnostika hlasi chybu
C1288 PRESSURE TRANSDUCER MAIN/PRIMARY CIRCUIT FAILURE
vtedy sa jedna o zdochnuty snimac tlaku ktory je v tej hydraulickej casti
za ktoru pyta ako pises Ford SK 260€ ja som ju kupil radsej v CZ za 200€...
je tom na webe popisaneho more...
je to tak bezna vec ze na nemeckom ford fore asi nie je obsiahlejsie vlakno
(591 prispevkov, vyse 130000 citani) a este ani jeden co menil len tu
hydrauliku si nestazoval ze by mu to problem neriesilo...
C1288 PRESSURE TRANSDUCER MAIN/PRIMARY CIRCUIT FAILURE
vtedy sa jedna o zdochnuty snimac tlaku ktory je v tej hydraulickej casti
za ktoru pyta ako pises Ford SK 260€ ja som ju kupil radsej v CZ za 200€...
je tom na webe popisaneho more...
je to tak bezna vec ze na nemeckom ford fore asi nie je obsiahlejsie vlakno
(591 prispevkov, vyse 130000 citani) a este ani jeden co menil len tu
hydrauliku si nestazoval ze by mu to problem neriesilo...
Focus II. kombi, Trend (A), 1,6TDCI 80kW 2006 , DPF vymeneny 2011, turbo 2009
- dakto25
- Nováček

- Příspěvky: 8
- Registrován: 06.07.2009 21:42
Re: Nefunkční ESP
Stačí ten modul, aj keď ford ti tvrdi, že oni objednavaju cele 
Focus Combi II 5/2006, 1.6 TDCi, 80 kW, DPF
- marosnet55
- Nováček

- Příspěvky: 106
- Registrován: 30.01.2010 22:19
- marosnet55
- Nováček

- Příspěvky: 106
- Registrován: 30.01.2010 22:19
Re: Nefunkční ESP
Takže potvrdené ESP zas funguje. 
-
didiboj
- Nováček

- Příspěvky: 2
- Registrován: 30.09.2010 17:02
Re: Nefunkční ESP
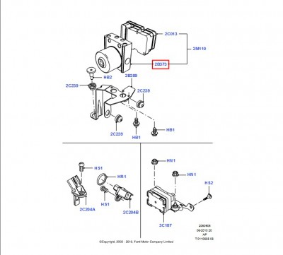
Podobný príbeh u mňa - od istého dňa permanentne svietila kontrolka ESP, diagnostika povedala C1288.
Pôvodné ambície opraviť vadný senzor vo vlastnej réžii stroskotali. Podobných nadšencov vopred varujem - oba diely, t.j. hydraulika i elektronika sú robené v podstate nerozoberateľne. Hydraulika je kompletne lisovaná do toho Al bloku, vadný senzor tlaku samotný je tiež zalisovaný. Zrejme špeciálnym náradím by to šlo ale... Elektronika je hermeticky zalepená, plast sa ľahko láme.
Mne pomohlo kúpiť diel 1692659 (Ford v Písku za cca 220 eur). Vymenil som to vo vlastnej réžii a kontrolka už nesvieti. Nerobil som kalibráciu senzoru, ktorú doporučujú v návode k danému dielu, spoľahol som sa na nastavenie z výroby. Vyskúšam to najbližšie v akcii.
Stručný návod (fofo 2005, 1.6 benzin 74kW) - zdemontovať hadicu od filtra vzduchu, kryt filtra vzduchu, baterku, vaňu baterky s riadiacou jednotku prehodiť na stranu, dať dolu stierače a 2 plastové kryty pod nimi, odmontovať hydraulické rúrky (začať tými od nádobky s brzdovkou, potom zvyšné 4), vytiahnuť konektor z jednotky, demontovať a vytiahnuť jednotku, vymeniť hydrauliku, namontovať v opačnom poradí a odvzdušniť brzdy. Práca na 2-3 hodiny.
Pôvodné ambície opraviť vadný senzor vo vlastnej réžii stroskotali. Podobných nadšencov vopred varujem - oba diely, t.j. hydraulika i elektronika sú robené v podstate nerozoberateľne. Hydraulika je kompletne lisovaná do toho Al bloku, vadný senzor tlaku samotný je tiež zalisovaný. Zrejme špeciálnym náradím by to šlo ale... Elektronika je hermeticky zalepená, plast sa ľahko láme.
Mne pomohlo kúpiť diel 1692659 (Ford v Písku za cca 220 eur). Vymenil som to vo vlastnej réžii a kontrolka už nesvieti. Nerobil som kalibráciu senzoru, ktorú doporučujú v návode k danému dielu, spoľahol som sa na nastavenie z výroby. Vyskúšam to najbližšie v akcii.
Stručný návod (fofo 2005, 1.6 benzin 74kW) - zdemontovať hadicu od filtra vzduchu, kryt filtra vzduchu, baterku, vaňu baterky s riadiacou jednotku prehodiť na stranu, dať dolu stierače a 2 plastové kryty pod nimi, odmontovať hydraulické rúrky (začať tými od nádobky s brzdovkou, potom zvyšné 4), vytiahnuť konektor z jednotky, demontovať a vytiahnuť jednotku, vymeniť hydrauliku, namontovať v opačnom poradí a odvzdušniť brzdy. Práca na 2-3 hodiny.
Naposledy upravil(a) didiboj dne 11.12.2011 15:15, celkem upraveno 1 x.
-
jirinavy
- Nováček

- Příspěvky: 2
- Registrován: 23.11.2011 23:02
- Bydliště: Č. Budějovice
Re: Nefunkční ESP
nevím jestli je to ještě aktuální http://www.ford-focus.cz/forum/viewtopi ... 90#p642990
nyní sem řešil stejný problém, s tím, že mně problikávalo ESP nejen do zatáček ale i při akceleraci třeba na trojku, čtyřku. Přesně vim o čem mluvíš - "ťukání" od volantu. Je to takovej zvuk jako když spíná v nepravidelných intervalech nějaký relátko.
1. návštěva servisu - diagnostika nic neukázala, vyčištění čidel, kontrola el. instalace.
Bylo mi řečeno, že na pravém předním kole má ložisko malinko vůli a že by to mohlo bejt tim. Což se mi nechtělo věřit, poněvadž bylo už jednou měněný a mělo cca 30tis nalítáno.
Během čtrnácti dnů než došlo k výměně ložiska, postoupila závada do vyššího levelu. Už natvrdo svítily kontrolky ESP + ABS a po nastartování a ujetí cca 50m se pokaždé vypsalo - system ESP fail.
Ložisko vyměněno, zatím ujeto přibližně 200km a fofo zas jezdí jak má.
nyní sem řešil stejný problém, s tím, že mně problikávalo ESP nejen do zatáček ale i při akceleraci třeba na trojku, čtyřku. Přesně vim o čem mluvíš - "ťukání" od volantu. Je to takovej zvuk jako když spíná v nepravidelných intervalech nějaký relátko.
1. návštěva servisu - diagnostika nic neukázala, vyčištění čidel, kontrola el. instalace.
Bylo mi řečeno, že na pravém předním kole má ložisko malinko vůli a že by to mohlo bejt tim. Což se mi nechtělo věřit, poněvadž bylo už jednou měněný a mělo cca 30tis nalítáno.
Během čtrnácti dnů než došlo k výměně ložiska, postoupila závada do vyššího levelu. Už natvrdo svítily kontrolky ESP + ABS a po nastartování a ujetí cca 50m se pokaždé vypsalo - system ESP fail.
Ložisko vyměněno, zatím ujeto přibližně 200km a fofo zas jezdí jak má.
Ford Focus combi 2.0TDCI, 100kW, 11/2006, modrá Tonic
odstraněn DPF, chip 120kW/163k
odstraněn DPF, chip 120kW/163k
- ondraZ
- Nováček

- Příspěvky: 70
- Registrován: 13.05.2008 13:56
- Bydliště: Praha
Re: Nefunkční ESP
Hoho, mno, tohle je možná správný směr, díky! Měnili mi obě ložiska na pravé straně přední i zadní listopad/prosinec 2010 (už jsem to měl na zimních plech. kolech, přehazuju vždy celá kola, letní mám alu shodný rozměr 205/55/16). Problém se projevil až na jaře 2011 prakticky okamžitě po přehození kol na letní s novými pneu. Teď když jsem před 2 týdny znovu nahodil lehce jetá zimní kola, je problém daleko menší - to mi všechno ukazuje na to co píšeš, tedy vůle ve vyměněném (pravém předním) ložisku, protože s těžšími koly (letní alu) se to prostě (logicky?) projeví silněji. Zajímavé ještě je, že se mi zdá že jak je víc zima (kolem nuly), je situace lepší a jak se oteplí (+10) začne to zase reagovat citlivěji. No, kurnik tak zas do servisu. Ještě jednou díky za tip. Btw jak se pozná takováhle maličká vůle v ložisku - nutno do servisu? Aby mne jen tak lehce neodbyli hláškou že ložisko je OK - totiž to ložisko totiž před rokem měnili oni...
ford focus II turnier 1.6 16V 74kW rv 2005, najeto cca 100tkm
- ondraZ
- Nováček

- Příspěvky: 70
- Registrován: 13.05.2008 13:56
- Bydliště: Praha
Re: Nefunkční ESP
Tak včera auto nahoře, ložiska vůle žádná. Kontrola vůle proběhla manuálně. Je možné, že ta vůle způsobující vibraci (domnívám se že pravého předního) kola v levotočivých hrbolatých zatáčkách je v reálu tak malá, že ji nelze zjistit klasicky manuálně - ale je třeba dát to na nějkaké měřicí zařízení? Ještě včera v servisu padla jedna myšlenka: špatný PP tlumič, ale ten vypadá a chová se naprosto normálně...
ford focus II turnier 1.6 16V 74kW rv 2005, najeto cca 100tkm
- ondraZ
- Nováček

- Příspěvky: 70
- Registrován: 13.05.2008 13:56
- Bydliště: Praha
Re: Nefunkční ESP
Ahoj prosímtě co myslíš tím "nic neukázala"? Jedu příští týden znovu do servisu s tím že napíchnem diag., a za jízdy vyvoláme ten "ESP problém" a že na diag hned za jízdy uvidíme, odkud ESP dostane ten impuls k akci (aspoň ze kterého čidla/kola) - tedy takto mi to aspoň borci prezentovali. Aha, ty asi myslíš že při klasické diagnostice nebyla vypsána žádná zaznamenaná chyba?jirinavy píše:...návštěva servisu - diagnostika nic neukázala...
ford focus II turnier 1.6 16V 74kW rv 2005, najeto cca 100tkm
Kdo je online
Uživatelé prohlížející si toto fórum: Žádní registrovaní uživatelé a 0 hostů

