Tempomat
- foki
- Admin

- Příspěvky: 19244
- Registrován: 02.02.2008 03:18
- Bydliště: České Budějovice
- Kontaktovat uživatele:
Re: Tempomat
pokud mas 4 ramenny tak se da dodelat original co je mezi ramenama . jen se muze stat ze nepujde povolit , ale to byl jeden pripad , u ktereho se zjistilo ze to je GEM modulem (byl u samantuse taky ) , u me jsme to zkousely vymenou pojistkovky kde to povolit slo ale ten clovek nechtel tolik investovat do auta .
Odpovědi lehké - 100,- Kč
Odpovědi, při kterých
se musí myslet - 240,- Kč
Vážné odpovědi - 340,- Kč
Odpovědi na hloupé
a zbytečné otázky - 400,- Kč
specialní sazba :
otázka, na kterou jsem už dříve odpověděl - 500 Kč
Odpovědi, při kterých
se musí myslet - 240,- Kč
Vážné odpovědi - 340,- Kč
Odpovědi na hloupé
a zbytečné otázky - 400,- Kč
specialní sazba :
otázka, na kterou jsem už dříve odpověděl - 500 Kč
-
Radan
- Nováček

- Příspěvky: 2
- Registrován: 06.07.2010 21:56
Re: Tempomat
A to se dají dokoupit tlačítka nebo jak se to dodělává ?
Já tu nechci být za blba, ale téhle tématice moc nerozumim (spíš vůbec)
Takže bych byl moc vděčný za pár informací co s tim udělat (nebo spíš kde a za kolik)
Takže bych byl moc vděčný za pár informací co s tim udělat (nebo spíš kde a za kolik)
- Anduril
- Test driver

- Příspěvky: 5096
- Registrován: 07.11.2009 16:56
- Bydliště: Ostrava
Re: Tempomat
Daji se dokoupit tlacitka a primontovat k volantu. Samozrejme to ale neni tak 100%, jako original volant s tlacitkama. Dalsi moynosti je sehnat volant s tlacitkama nebo si nechat tempomat udelat na ten ovladac radia.
- Raada
- Test driver

- Příspěvky: 2792
- Registrován: 07.09.2008 00:35
- Bydliště: Exit 10 na D10
Re: Tempomat
http://www.ford-focus.cz/forum/viewtopi ... a&start=60
Mrkni na tento odkaz. Mam tam nafoceny volant s tlacitkama. Cena necele 4tis. Kc, provadeji to v autorizovanym servise Fordu v Pardubicich. Blizsi info poda Samantus
.
Mrkni na tento odkaz. Mam tam nafoceny volant s tlacitkama. Cena necele 4tis. Kc, provadeji to v autorizovanym servise Fordu v Pardubicich. Blizsi info poda Samantus
- ZaQik
- Admin

- Příspěvky: 25177
- Registrován: 30.05.2010 17:33
- Bydliště: exit 82 na D0
Re: Tempomat
Dnes jsem diagnostikou (Delphi DS 100E) koukal na GEM, abych zjistil, zda mi pujde tempomat povolit ... ale ani na jednom z 13 listu jsem slovo tempomat nenasel.
Jsem slepy nebo jsem "stastlivec" se spatnym GEMem?
Jsem slepy nebo jsem "stastlivec" se spatnym GEMem?
Ford Focus mk3 combi 1.6 Ti-VCT, r.v.2018 + Ford Fiesta mk7 3D 1.25, r.v.2014
byl Ford Focus mk2 combi 1.6, r.v.2009 + Ford Fiesta mk6 1.4 TDCi r.v. 2004
Nejsem poradna, encyklopedie ani hotline spolecnosti Ford - ptejte se na foru, od toho je.
byl Ford Focus mk2 combi 1.6, r.v.2009 + Ford Fiesta mk6 1.4 TDCi r.v. 2004
Nejsem poradna, encyklopedie ani hotline spolecnosti Ford - ptejte se na foru, od toho je.
- Samantus
- Junior

- Příspěvky: 298
- Registrován: 02.02.2008 03:18
- Bydliště: Choltice-Svincany
Re: Tempomat
Jelikoz se u polozky v PCM (RJ motoru) musi preprogramovavat, tak se tam nehrabte nicim jinym nez origo IDS/WDS....
Martin
Ford Focus Combi 2016 1.6 Ti-VCT
Ford Focus CC 2006 1.6i
Ford Focus Combi 2016 1.6 Ti-VCT
Ford Focus CC 2006 1.6i
- Samantus
- Junior

- Příspěvky: 298
- Registrován: 02.02.2008 03:18
- Bydliště: Choltice-Svincany
Re: Tempomat
a kdyz uz se tam chces hrabat, tak misto tempomat hledej, rizeni rychlosti, ale vim ja jak to maj tyhle uni diagnostiky prelozeny?
Martin
Ford Focus Combi 2016 1.6 Ti-VCT
Ford Focus CC 2006 1.6i
Ford Focus Combi 2016 1.6 Ti-VCT
Ford Focus CC 2006 1.6i
- ZaQik
- Admin

- Příspěvky: 25177
- Registrován: 30.05.2010 17:33
- Bydliště: exit 82 na D0
Re: Tempomat
> preprogramovavatSamantus píše:Jelikoz se u polozky v PCM (RJ motoru) musi preprogramovavat, tak se tam nehrabte nicim jinym nez origo IDS/WDS....
... co si mam pod tim slovem predstavit? Domnival jsem se, ze tam bude neco jako ON/OFF.
Ford Focus mk3 combi 1.6 Ti-VCT, r.v.2018 + Ford Fiesta mk7 3D 1.25, r.v.2014
byl Ford Focus mk2 combi 1.6, r.v.2009 + Ford Fiesta mk6 1.4 TDCi r.v. 2004
Nejsem poradna, encyklopedie ani hotline spolecnosti Ford - ptejte se na foru, od toho je.
byl Ford Focus mk2 combi 1.6, r.v.2009 + Ford Fiesta mk6 1.4 TDCi r.v. 2004
Nejsem poradna, encyklopedie ani hotline spolecnosti Ford - ptejte se na foru, od toho je.
- ZaQik
- Admin

- Příspěvky: 25177
- Registrován: 30.05.2010 17:33
- Bydliště: exit 82 na D0
Re: Tempomat
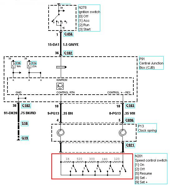
Pokud chcete pouzit nejakou univerzalni packu na ovladani tempomatu, hledejte tu, ktera ma odpory v kiloohmench:
"ON" 1,12
"RES" 0,6
"SET +" 0,3
"SET -" 0,12
"OFF" 0
Nebo si muzete vyrobit tlacitka vlastni a zariznout je do boku volantu; schema pro spojeni odporu:
"ON" 1,12
"RES" 0,6
"SET +" 0,3
"SET -" 0,12
"OFF" 0
Nebo si muzete vyrobit tlacitka vlastni a zariznout je do boku volantu; schema pro spojeni odporu:
Ford Focus mk3 combi 1.6 Ti-VCT, r.v.2018 + Ford Fiesta mk7 3D 1.25, r.v.2014
byl Ford Focus mk2 combi 1.6, r.v.2009 + Ford Fiesta mk6 1.4 TDCi r.v. 2004
Nejsem poradna, encyklopedie ani hotline spolecnosti Ford - ptejte se na foru, od toho je.
byl Ford Focus mk2 combi 1.6, r.v.2009 + Ford Fiesta mk6 1.4 TDCi r.v. 2004
Nejsem poradna, encyklopedie ani hotline spolecnosti Ford - ptejte se na foru, od toho je.
- ZaQik
- Admin

- Příspěvky: 25177
- Registrován: 30.05.2010 17:33
- Bydliště: exit 82 na D0
Re: Tempomat
Tak dnes jsem videl na obrazovce FORDDIAGNOSTIC montera s klicem pred logem ford. Uz vim, co znamena "preprogramovat"ZaQik píše:> preprogramovavatSamantus píše:Jelikoz se u polozky v PCM (RJ motoru) musi preprogramovavat, tak se tam nehrabte nicim jinym nez origo IDS/WDS....
... co si mam pod tim slovem predstavit? Domnival jsem se, ze tam bude neco jako ON/OFF.
Ford Focus mk3 combi 1.6 Ti-VCT, r.v.2018 + Ford Fiesta mk7 3D 1.25, r.v.2014
byl Ford Focus mk2 combi 1.6, r.v.2009 + Ford Fiesta mk6 1.4 TDCi r.v. 2004
Nejsem poradna, encyklopedie ani hotline spolecnosti Ford - ptejte se na foru, od toho je.
byl Ford Focus mk2 combi 1.6, r.v.2009 + Ford Fiesta mk6 1.4 TDCi r.v. 2004
Nejsem poradna, encyklopedie ani hotline spolecnosti Ford - ptejte se na foru, od toho je.
- Dave78R
- Nováček

- Příspěvky: 21
- Registrován: 29.10.2009 09:10
- Bydliště: Brno
- Kontaktovat uživatele:
Re: Tempomat
Tak tempomátek by se mi také líbil, vypadá to pěkně... že jsem tak smělý, nebyl by stavu to někdo domontovat v okolí Brna? Děkuji za info.
Ford Focus II combi Fun, 1.6TDCi
-
jbily
- Nováček

- Příspěvky: 3
- Registrován: 09.02.2010 16:06
Re: Tempomat
Připojuji se k předchozímu dotazu - kde dodělat tempomat do C-Max 1,8Tdci 2006 v Ostravě a okolí /beru i Brno/...
Díky, J.
Díky, J.
Ford Focus C-Max 1,8 TDCi, r.v. 2006
- Samantus
- Junior

- Příspěvky: 298
- Registrován: 02.02.2008 03:18
- Bydliště: Choltice-Svincany
Re: Tempomat
ok, dvakrat jsem napsal post, ve kterym neni jedinej naznak reklamy, jen to co tady probirame uz asi rok....... budto je nekde chyba a ja se divim zbytecne nebo to nekdo smazal a pak chci vysvetleni....
Martin
Ford Focus Combi 2016 1.6 Ti-VCT
Ford Focus CC 2006 1.6i
Ford Focus Combi 2016 1.6 Ti-VCT
Ford Focus CC 2006 1.6i
- Samantus
- Junior

- Příspěvky: 298
- Registrován: 02.02.2008 03:18
- Bydliště: Choltice-Svincany
- Samantus
- Junior

- Příspěvky: 298
- Registrován: 02.02.2008 03:18
- Bydliště: Choltice-Svincany
Re: Tempomat
ty casy vzajemne pomoci asi jsou ty tam, dnes je to vsechno o reklame, penezich a zavisti, proc on muze a ja ne... nejak proste nemam dal silu a chut na tomto "klubu:-)" neco rozvijet, vite kde me hledat......
Martin
Ford Focus Combi 2016 1.6 Ti-VCT
Ford Focus CC 2006 1.6i
Ford Focus Combi 2016 1.6 Ti-VCT
Ford Focus CC 2006 1.6i
Kdo je online
Uživatelé prohlížející si toto fórum: Žádní registrovaní uživatelé a 2 hosti

