Osvětlení prostoru pro nohy vpředu

Odpovědět
jostrih
Příspěvky: 1
Registrován: 12.05.2009 22:30

Re: Osvetlenie priestoru pre nohy v predu - ziarovka?

Příspěvek od jostrih » 17.07.2009 11:57

Ahoj vsetkym.
Dakujem za prinosne prispevky v tomto vlakne.
Nasiel som to spravne miesto, osadil ziarovcickami a uz moj FOFO svieti krasne na zeleno.
Ford Focus II Turnier 1.6 TDCI, 80KW, 08/2005 Obrázek

Uživatelský avatar
stand
Zkušený
Zkušený
Příspěvky: 1010
Registrován: 06.10.2008 09:09
Bydliště: Plzeň

Re: Osvetlenie priestoru pre nohy v predu - ziarovka?

Příspěvek od stand » 30.09.2009 16:22

Tak sem bezproblemu nasel patice, dal tam zarovky co se valely doma a uz svitim!
časem dokoupim neco mene svitiveho než tyhle 5W .

Uživatelský avatar
Anduril
Test driver
Test driver
Příspěvky: 5096
Registrován: 07.11.2009 16:56
Bydliště: Ostrava

Re: Osvetlenie priestoru pre nohy v predu - ziarovka?

Příspěvek od Anduril » 10.11.2009 08:37

Tak u meho TrendX byla take priprava pro osvetleni nohou. Stacilo vsadit zarovky :)
Je: Ford Focus IV Active X 1.5 EcoBoost 110kW Metallic (galerie)
Byl: Ford Focus III Titanium 1.6 EcoBoost 134kW Colorado (galerie)
Byl: Ford Focus II Trend X 1.6 74kW Avalon (galerie)

Uživatelský avatar
Nepér
Zkušený
Zkušený
Příspěvky: 1500
Registrován: 09.12.2009 08:35
Bydliště: Praha 8

Re: Osvetlenie priestoru pre nohy v predu - ziarovka?

Příspěvek od Nepér » 17.12.2009 19:47

FoFo II, 2005, výbava sport, patice tam jsou, drátky k nim vedou, ale po vložení jedné žárovky nesvítí. Stejný problém popisuje i VlastaH, není třeba někam přidat nějakou pojistku, zasunout svorkovnici, či něco podobného? Kdy to má svítít, současně s horním světlem?
Mondeo mk4, 2.0i, 2010

MK2
Test driver
Test driver
Příspěvky: 4585
Registrován: 01.09.2008 20:30
Bydliště: Kolín, Nedašov

Re: Osvetlenie priestoru pre nohy v predu - ziarovka?

Příspěvek od MK2 » 17.12.2009 20:15

Svítí to když otevřeš dveře, stejně jako stropní světlo. Jestli máš LEDky tak může být poblém v tom že si dal jednu opačně :wink: Ale jestli máš klasickou žárovku tak netuším kde může být problém...
2012 Mazda 3 2.0DISI 111kW

Uživatelský avatar
Nepér
Zkušený
Zkušený
Příspěvky: 1500
Registrován: 09.12.2009 08:35
Bydliště: Praha 8

Re: Osvetlenie priestoru pre nohy v predu - ziarovka?

Příspěvek od Nepér » 17.12.2009 21:18

Nemám ledky, zkoušel jsem tam žárovky, obě dvě, nesvítí to, v pojistkovce před spolujezdcem jsou všechny pozice osazeny, v těch, co tam nejsou nejsou ani patice pro další pojistky. BTW, mám nějakou jinou pojistkovku, co není v manuálu a mám tam ten krycí dekl, jak někdo psal, že ho nemá...
Mondeo mk4, 2.0i, 2010

KUTY

Re: Osvetlenie priestoru pre nohy v predu - ziarovka?

Příspěvek od KUTY » 15.02.2010 20:54

Ked nemam pripravu (patice), da sa dodatocne dotiahnut kabel z ineho zdroja ?

MK2
Test driver
Test driver
Příspěvky: 4585
Registrován: 01.09.2008 20:30
Bydliště: Kolín, Nedašov

Re: Osvetlenie priestoru pre nohy v predu - ziarovka?

Příspěvek od MK2 » 16.02.2010 19:10

Tak teoreticky od odsvětlení ve stopě. Bo to svítí zároveň s ním. Nebo si vezmeš zkoušečku a budeš hledat na kterém "drátku" se objeví napětí když otevřeš dveře :)
2012 Mazda 3 2.0DISI 111kW

Uživatelský avatar
Nepér
Zkušený
Zkušený
Příspěvky: 1500
Registrován: 09.12.2009 08:35
Bydliště: Praha 8

Re: Osvetlenie priestoru pre nohy v predu - ziarovka?

Příspěvek od Nepér » 16.02.2010 19:46

Teoreticky, teoreticky... já tam ty patice i přívody mám, ale po vložení žárovek se nic neděje a přívody mizí kdesi ve svazku...
Mondeo mk4, 2.0i, 2010

Uživatelský avatar
Loco
Nováček
Nováček
Příspěvky: 30
Registrován: 13.02.2010 20:36
Bydliště: Ouvaly

Re: Osvetlenie priestoru pre nohy v predu - ziarovka?

Příspěvek od Loco » 19.02.2010 21:07

Nepér píše:Teoreticky, teoreticky... já tam ty patice i přívody mám, ale po vložení žárovek se nic neděje a přívody mizí kdesi ve svazku...
Mám stejnou situaci, vše se zdá být připravené, ale nesvítí. Zkouším žárovky OSRAM W5W, 12V, 5W, patice W2,1x9,5d http://www.e-light.cz/svitidla/1815/

jdu pátrat :oops:

Uživatelský avatar
Nepér
Zkušený
Zkušený
Příspěvky: 1500
Registrován: 09.12.2009 08:35
Bydliště: Praha 8

Re: Osvetlenie priestoru pre nohy v predu - ziarovka?

Příspěvek od Nepér » 21.02.2010 20:21

Žárovka je správná, ale nežije to no.
Mondeo mk4, 2.0i, 2010

Uživatelský avatar
Loco
Nováček
Nováček
Příspěvky: 30
Registrován: 13.02.2010 20:36
Bydliště: Ouvaly

Re: Osvetlenie priestoru pre nohy v predu - ziarovka?

Příspěvek od Loco » 21.02.2010 21:12

Nepér píše:Žárovka je správná, ale nežije to no.
možná je to jenom někde vejš rozpojený... možná zkusim rozdělat šuplík před spolujezdcem, třeba tam bude něco vidět.

Uživatelský avatar
Nepér
Zkušený
Zkušený
Příspěvky: 1500
Registrován: 09.12.2009 08:35
Bydliště: Praha 8

Re: Osvetlenie priestoru pre nohy v predu - ziarovka?

Příspěvek od Nepér » 22.02.2010 00:52

Já koukal, jestli nechybí třeba nějaká pojistka, ale všechny neobsazené pozice neměly ani kontakty. Zdálo se vše na svém místě.
Mondeo mk4, 2.0i, 2010

Uživatelský avatar
foki
Admin
Admin
Příspěvky: 19243
Registrován: 02.02.2008 03:18
Bydliště: České Budějovice
Kontaktovat uživatele:

Re: Osvetlenie priestoru pre nohy v predu - ziarovka?

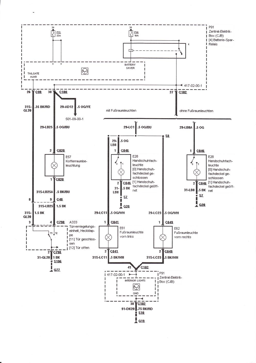
Příspěvek od foki » 22.02.2010 06:51

je to v serii s osvetlenim kastliku
Přílohy
schema.jpg
Odpovědi lehké - 100,- Kč
Odpovědi, při kterých
se musí myslet - 240,- Kč
Vážné odpovědi - 340,- Kč
Odpovědi na hloupé
a zbytečné otázky - 400,- Kč
specialní sazba :
otázka, na kterou jsem už dříve odpověděl - 500 Kč

Uživatelský avatar
Nepér
Zkušený
Zkušený
Příspěvky: 1500
Registrován: 09.12.2009 08:35
Bydliště: Praha 8

Re: Osvetlenie priestoru pre nohy v predu - ziarovka?

Příspěvek od Nepér » 22.02.2010 09:13

Tu svorkovnici 29-LC1.5 OG/BU najdu kde? //edit: tak ono je to označení vodiče, každopádně hledám tu svorkovnici, kde se to roztrojuje.
Ona i ta zem bude asi třeba připojit do té CJB krabičky...
Mondeo mk4, 2.0i, 2010

Odpovědět

Zpět na „Focus - interier - 2004 - 2011“

Kdo je online

Uživatelé prohlížející si toto fórum: Žádní registrovaní uživatelé a 1 host