cívka zapalování
-
vocek
- Nováček

- Příspěvky: 6
- Registrován: 30.10.2008 19:31
cívka zapalování
kdo poradí odešla mi už třetí cívka za 6 měsícu
- Stehnak
- Test driver

- Příspěvky: 2236
- Registrován: 02.02.2008 03:18
- Bydliště: Modřice@JM@CZ
Re: cívka zapalování
Trebas: (nebo google a hledat obecne tyto problemy - ne primo ford ci focus)
http://www.ford-forums.com/ford-taurus/ ... ion-2.html
If an engine is experiencing repeated coil failures, the coil may be working too hard. The underlying cause is usually high secondary resistance (bad spark plug wire or spark plugs), or in some cases, a lean fuel condition (dirty injectors, vacuum leak or leaky EGR valve).
Future coil problems can often be avoided by cleaning the connectors and terminals when the new coil is installed. Corrosion can cause intermittent operation and loss of continuity, which may contribute to component failure. Applying dielectric grease to these connections can help prevent corrosion and assure a good connection.
On high-mileage engines with distributors or DIS systems, the spark plug wires also should be replaced following a coil failure to assure a good hot spark. New plugs also should be installed if the original plugs are fouled or are at or near their service limit (45,000 miles for conventional plugs, 100,000 miles for long-life plugs).
http://www.ford-forums.com/ford-taurus/ ... ion-2.html
If an engine is experiencing repeated coil failures, the coil may be working too hard. The underlying cause is usually high secondary resistance (bad spark plug wire or spark plugs), or in some cases, a lean fuel condition (dirty injectors, vacuum leak or leaky EGR valve).
Future coil problems can often be avoided by cleaning the connectors and terminals when the new coil is installed. Corrosion can cause intermittent operation and loss of continuity, which may contribute to component failure. Applying dielectric grease to these connections can help prevent corrosion and assure a good connection.
On high-mileage engines with distributors or DIS systems, the spark plug wires also should be replaced following a coil failure to assure a good hot spark. New plugs also should be installed if the original plugs are fouled or are at or near their service limit (45,000 miles for conventional plugs, 100,000 miles for long-life plugs).
Kia Stinger 3.3 V6 T-GDI AWD 2019 / Nissan Leaf 24 -> 40 kWh 2012 / byly Ford Mondeo ST 220 2006; Ford Focus 1.6 16V 1999
- foki
- Admin

- Příspěvky: 19244
- Registrován: 02.02.2008 03:18
- Bydliště: České Budějovice
- Kontaktovat uživatele:
Re: cívka zapalování
nova z forda ?vocek píše:kdo poradí odešla mi už třetí cívka za 6 měsícu
Odpovědi lehké - 100,- Kč
Odpovědi, při kterých
se musí myslet - 240,- Kč
Vážné odpovědi - 340,- Kč
Odpovědi na hloupé
a zbytečné otázky - 400,- Kč
specialní sazba :
otázka, na kterou jsem už dříve odpověděl - 500 Kč
Odpovědi, při kterých
se musí myslet - 240,- Kč
Vážné odpovědi - 340,- Kč
Odpovědi na hloupé
a zbytečné otázky - 400,- Kč
specialní sazba :
otázka, na kterou jsem už dříve odpověděl - 500 Kč
- pelen
- Test driver

- Příspěvky: 9259
- Registrován: 02.02.2008 03:18
- Bydliště: Nový Jičín
- Kontaktovat uživatele:
Re: cívka zapalování
vocek, vzdalenost elektrod na svickach jsi kontroloval? Pokud je vetsi, nez ma byt, tak je vn blok vice napetove namahan.
-
vocek
- Nováček

- Příspěvky: 6
- Registrován: 30.10.2008 19:31
Re: cívka zapalování
kolik má být ten odtrh na svíčkachpelen píše:vocek, vzdalenost elektrod na svickach jsi kontroloval? Pokud je vetsi, nez ma byt, tak je vn blok vice napetove namahan.
-
vocek
- Nováček

- Příspěvky: 6
- Registrován: 30.10.2008 19:31
Re: cívka zapalování
tak ty svíčky mám z orgynal sady koupene podle čísla (vinu)auta ,jsou nastavene od výrobcevocek píše:kolik má být ten odtrh na svíčkachpelen píše:vocek, vzdalenost elektrod na svickach jsi kontroloval? Pokud je vetsi, nez ma byt, tak je vn blok vice napetove namahan.
-
vocek
- Nováček

- Příspěvky: 6
- Registrován: 30.10.2008 19:31
Re: cívka zapalování
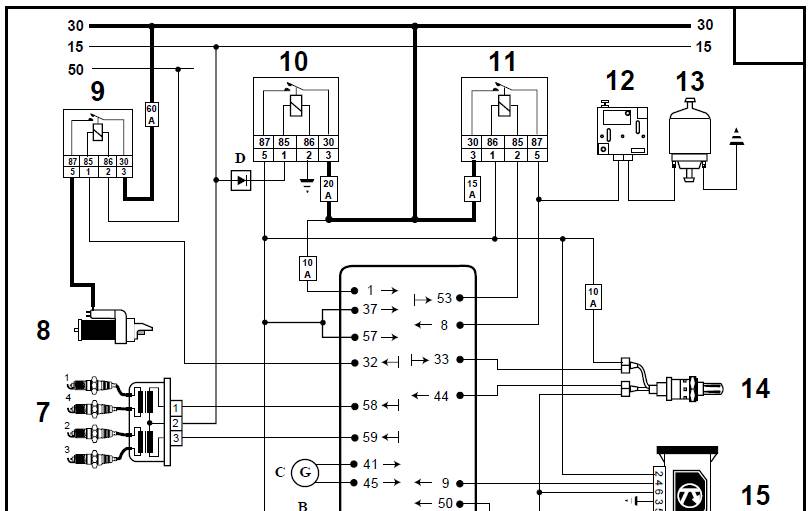
ještě hledám napajecí relé cívky podle schematu,je tady zakreslené ale kdeho najdu nevím,je spojene ze spinačem zapalovánívocek píše:tak ty svíčky mám z orgynal sady koupene podle čísla (vinu)auta ,jsou nastavene od výrobcevocek píše:kolik má být ten odtrh na svíčkachpelen píše:vocek, vzdalenost elektrod na svickach jsi kontroloval? Pokud je vetsi, nez ma byt, tak je vn blok vice napetove namahan.
- foki
- Admin

- Příspěvky: 19244
- Registrován: 02.02.2008 03:18
- Bydliště: České Budějovice
- Kontaktovat uživatele:
Re: cívka zapalování
ja jsem tam zadne rele nenasel
- Přílohy
-
- schema civky.pdf
- (1.19 MiB) Staženo 145 x
Odpovědi lehké - 100,- Kč
Odpovědi, při kterých
se musí myslet - 240,- Kč
Vážné odpovědi - 340,- Kč
Odpovědi na hloupé
a zbytečné otázky - 400,- Kč
specialní sazba :
otázka, na kterou jsem už dříve odpověděl - 500 Kč
Odpovědi, při kterých
se musí myslet - 240,- Kč
Vážné odpovědi - 340,- Kč
Odpovědi na hloupé
a zbytečné otázky - 400,- Kč
specialní sazba :
otázka, na kterou jsem už dříve odpověděl - 500 Kč
- pelen
- Test driver

- Příspěvky: 9259
- Registrován: 02.02.2008 03:18
- Bydliště: Nový Jičín
- Kontaktovat uživatele:
Re: cívka zapalování
Asi hleda rele 10, ktere nema nic spolecneho se zapalovanim.
Kdo je online
Uživatelé prohlížející si toto fórum: Žádní registrovaní uživatelé a 2 hosti



